ОСТ 1 37018-80 Гайки самоконтрящиеся под развальцовку. Взамен нормали 3366А.

ОСТ 1 37018-80 Гайки самоконтрящиеся под развальцовку

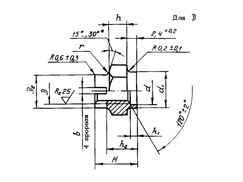
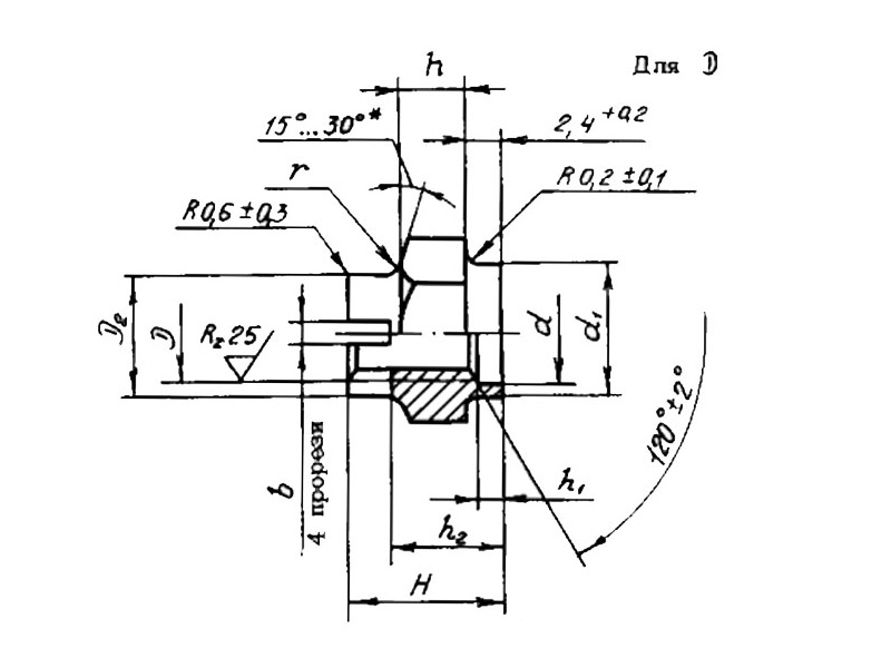
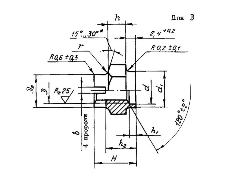
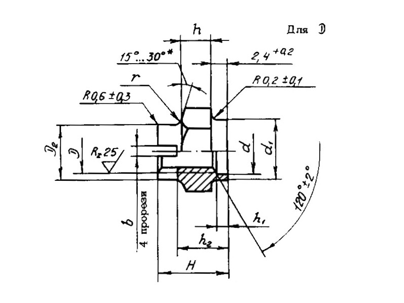
     Гайки ОСТ 1 37018-80  - это крепеж, который представляет собой шестигранный стержень с прорезями или видом "короны" и с внутренним сквозным отверстием и резьбой, ими крепят металлические конструкции с помощью болтов (шпилек). Форма дна прорези может быть плоской, скругленной или с фаской. Используются вместе с болтами (шпильками, приваренными стержнями с резьбой). Взамен нормали 3366А.

Конструкция и технические особенности

     Конструкция гайки состоит из шестигранного стержня с прорезями или видом "короны" и внутреннего сквозного отверстия с резьбой.

     Материал изготовления: сталь 30ХГСА.

     Материал покрытия: Ц6.хр, Кд6.хр.

ОСТ 1 37018-80.pdf

Пример наименования и обозначения гайки под развальцовку с резьбой М12х1,5, с покрытием Ц.хр:

Гайка 12-Ц-ОСТ 1 37018-80

Гайка
Наименование метиза
12
Диаметр резьбы
Ц
Тип покрытия
ОСТ 1 37018-80
Нормативно-технический документ

То же, с покрытием Кд.хр:

Гайка 12-Кд-ОСТ 1 37018-80

Гайка
Наименование метиза
12
Диаметр резьбы
Ц
Тип покрытия
ОСТ 1 37018-80
Нормативно-технический документ

ПРИМЕНЕНИЕ

     Данные гайки применяются во многих отраслях промышленности. Высокий спрос на изделие в машиностроении и строительстве, где такие гайки используют для надежного крепления, соединения деталей и металлических конструкций.

АНАЛОГИ

Нормаль 3366А.

ОСТ/ГОСТНормальНаименованиеТипоразмерНа складе
ОСТ 1 37018-803366АГайкаМ3В наличии
ОСТ 1 37018-803366АГайкаМ8В наличии
ОСТ 1 37018-803366АГайкаМ10В наличии
ОСТ 1 37018-803366АГайкаМ12х1,5В наличии

Для изготовителей и поставщиков: Добавить мои товары в базу

Для покупателей: Подать заявку на покупку

НаименованиеТипоразмерМатериалКоличество, штВес, кг
Гайка ОСТ 1 37018-80 3366А
О

ОСТ 1 30055-84 Накатка кольцевая стержней болт-заклепок из титанового сплава

ОСТ 1 31076-80 Маркировка крепежных изделий взамен НОРМАЛЬ 176АТ

ОСТ 1 31076-80: Маркировка крепежных изделий (взамен НОРМАЛЬ 176АТ)

ОСТ 1 38016-80 Футорки

ОСТ 1 38020-82 Втулки

ОСТ 1 39502-77 Стопорение болтов, винтов, шпилек, штифтов и гаек

ОСТ 1 39503-77 Длины болтов и винтов

ОСТ 1 39504-79 Головки шестигранные болтов и винтов

ОСТ 1 41471-79 Формообразование концов труб тяг управления из сплава Д16Т. Типовой технологический процесс

ОСТ 1 51730-79 Оснастка для формообразования концов труб тяг управления из сплава Д16Т

ОСТ 1 51731-79 Оснастка для формообразования концов труб тяг управления из сплава Д16Т

ОСТ 1.41001-79 Диаметры отверстий под нарезание резьбы метрической по нормали 754АТ

ОСТ 1.41002-79 Диаметры стержней под нарезание резьбы метрической по нормали 754АТ и ОСТ 1.00039-73

ОСТ 92-0762-72 Болты, винты из титановых сплавов

ОСТ 92-0912-69 Детали из высокопрочных углеродистых легированных и высоколегированных сталей. ОСТ 92-0912-69

ОСТ 92-1130-85 Детали стальные точные

ОСТ 92-1179-77 Детали и сборочные единицы из сталей марок 07Х16Н6 и 08Х17Н5М3

ОСТ 92-8653-75 по ОСТ 92-8674-75 Соединения трубопроводов по внутреннему конусу

ОСТ-1-33102-80 Взамен нормали 102АТУ Гайки ОСТ-1-33102-80

Отраслевая нормаль 214АТ В замен нормали 214МТ55 метрическая резьбой со свободной посадкой

Отраслевая нормаль 714М55 pdf Кольца плоские ,стопорные технические условия

Отраслевая нормаль авиационной техники 101АТУ Взамен 201СТУ51

Отраслевая нормаль авиационной техники. Нормаль 722АТ.

Р

РЕЗЬБА МЕТРИЧЕСКАЯ

Резьба метрическая усиленная тугой посадкой сталь в алюминиевые и магниевые сплавы. Нормаль 254АТ взамен нормальный 154МТ46

Резьба метрическая. Основные размеры и допуски. Отраслевая нормаль 257АТ взамен 57АТ50 взамен 153МТ54.

РЕЗЬБА ТРАПЕЦЕИДАЛЬНАЯ

РЕЗЬБА ТРУБНАЯ ЦИЛИНДРИЧЕСКАЯ

РЕЗЬБА УПОРНАЯ

Резьба усиленная метрическая тугой посадкой сталь сталь система вала настоящая норма распространяется на резьбу усиленную метрическую тугой посадкой для сопрягаемых материалов сталь в сталь. Нормаль 122МТ53 взамен нормали 122МТ51

Резьба усиленная метрическая тугой посадкой сталь сталь система вала настоящая норма распространяется на резьбу усиленную метрическую тугой посадкой для сопрягаемых материалов сталь в сталь. Нормаль 122МТ53 взамен нормали 122МТ51

Резьбовые соединения. Резьба метрическая с натягом по посадкам 2Н5Д и 2Н5С Отраслевой стандарт ОСТ 1 04065–92

Оформите заказ или получите консультацию