Нормаль 3987А. Соединения трубопроводов по внутреннему конусу. Гайки накидные

НОРМАЛЬ 3987А. СОЕДИНЕНИЯ ТРУБОПРОВОДОВ ПО НАРУЖНОМУ КОНУСУ. ГАЙКИ НАКИДНЫЕ.

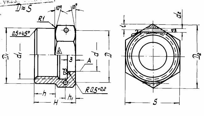
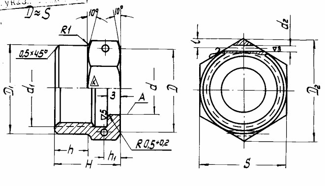
     Гайки по нормали 3987А – это специальный крепеж, предназначенный для соединения трубопроводов по внутреннему конусу. Взамен 418А.

КОНСТРУКЦИЯ И ТЕХНИЧЕСКИЕ ОСОБЕННОСТИ

     Конструкция гайки состоит из шестигранного стержня и внутреннего отверстия с резьбой.

     Материал изготовления: сталь марки 45.

     Материал покрытия: кадмирование.

Нормаль 3987А.pdf

Пример наименования и обозначения гайки накидной к трубопроводу dн=12мм из стали марки 45:

3987А - 12

Гайка
Наименование метиза
12
Наружный диаметр трубопровода
3987А
Нормативно-технический документ

ПРИМЕНЕНИЕ

     Настоящий стандарт распространяется на гайки для соединения трубопроводов по внутреннему конусу.

АНАЛОГИ

Нормаль 418А.

ОСТ/ГОСТНормальНаименованиеТипоразмерНа складе
Нормаль 3987АГайка6В наличии
Нормаль 3987АГайка8В наличии
Нормаль 3987АГайка10В наличии
Нормаль 3987АГайка12В наличии
Нормаль 3987АГайка14В наличии
Нормаль 3987АГайка16В наличии
Нормаль 3987АГайка18В наличии
Нормаль 3987АГайка20В наличии
Нормаль 3987АГайка22В наличии
Нормаль 3987АГайка24В наличии
Нормаль 3987АГайка25В наличии
Нормаль 3987АГайка27В наличии
Нормаль 3987АГайка28В наличии
Нормаль 3987АГайка30В наличии
Нормаль 3987АГайка32В наличии
Нормаль 3987АГайка34В наличии
Нормаль 3987АГайка36В наличии
Нормаль 3987АГайка37В наличии
Нормаль 3987АГайка38В наличии

Для изготовителей и поставщиков: Добавить мои товары в базу

Для покупателей: Подать заявку на покупку

НаименованиеТипоразмерМатериалКоличество, штВес, кг
Гайка Нормаль 3987А
О

ОСТ 1 30055-84 Накатка кольцевая стержней болт-заклепок из титанового сплава

ОСТ 1 31076-80 Маркировка крепежных изделий взамен НОРМАЛЬ 176АТ

ОСТ 1 31076-80: Маркировка крепежных изделий (взамен НОРМАЛЬ 176АТ)

ОСТ 1 38016-80 Футорки

ОСТ 1 38020-82 Втулки

ОСТ 1 39502-77 Стопорение болтов, винтов, шпилек, штифтов и гаек

ОСТ 1 39503-77 Длины болтов и винтов

ОСТ 1 39504-79 Головки шестигранные болтов и винтов

ОСТ 1 41471-79 Формообразование концов труб тяг управления из сплава Д16Т. Типовой технологический процесс

ОСТ 1 51730-79 Оснастка для формообразования концов труб тяг управления из сплава Д16Т

ОСТ 1 51731-79 Оснастка для формообразования концов труб тяг управления из сплава Д16Т

ОСТ 1.41001-79 Диаметры отверстий под нарезание резьбы метрической по нормали 754АТ

ОСТ 1.41002-79 Диаметры стержней под нарезание резьбы метрической по нормали 754АТ и ОСТ 1.00039-73

ОСТ 92-0762-72 Болты, винты из титановых сплавов

ОСТ 92-0912-69 Детали из высокопрочных углеродистых легированных и высоколегированных сталей. ОСТ 92-0912-69

ОСТ 92-1130-85 Детали стальные точные

ОСТ 92-1179-77 Детали и сборочные единицы из сталей марок 07Х16Н6 и 08Х17Н5М3

ОСТ 92-8653-75 по ОСТ 92-8674-75 Соединения трубопроводов по внутреннему конусу

ОСТ-1-33102-80 Взамен нормали 102АТУ Гайки ОСТ-1-33102-80

Отраслевая нормаль 214АТ В замен нормали 214МТ55 метрическая резьбой со свободной посадкой

Отраслевая нормаль 714М55 pdf Кольца плоские ,стопорные технические условия

Отраслевая нормаль авиационной техники 101АТУ Взамен 201СТУ51

Отраслевая нормаль авиационной техники. Нормаль 722АТ.

Р

РЕЗЬБА МЕТРИЧЕСКАЯ

Резьба метрическая усиленная тугой посадкой сталь в алюминиевые и магниевые сплавы. Нормаль 254АТ взамен нормальный 154МТ46

Резьба метрическая. Основные размеры и допуски. Отраслевая нормаль 257АТ взамен 57АТ50 взамен 153МТ54.

РЕЗЬБА ТРАПЕЦЕИДАЛЬНАЯ

РЕЗЬБА ТРУБНАЯ ЦИЛИНДРИЧЕСКАЯ

РЕЗЬБА УПОРНАЯ

Резьба усиленная метрическая тугой посадкой сталь сталь система вала настоящая норма распространяется на резьбу усиленную метрическую тугой посадкой для сопрягаемых материалов сталь в сталь. Нормаль 122МТ53 взамен нормали 122МТ51

Резьба усиленная метрическая тугой посадкой сталь сталь система вала настоящая норма распространяется на резьбу усиленную метрическую тугой посадкой для сопрягаемых материалов сталь в сталь. Нормаль 122МТ53 взамен нормали 122МТ51

Резьбовые соединения. Резьба метрическая с натягом по посадкам 2Н5Д и 2Н5С Отраслевой стандарт ОСТ 1 04065–92

Оформите заказ или получите консультацию