ОСТ 92-0758-72 Винты с плосковыпуклой головкой
Винты ОСТ 92-0758-72 - это специальный крепеж, так как имеют плосковыпуклую головку и стержень, ими можно соединять сразу несколько деталей, закрепляя их гайками. Используются вместе с гайками (шестигранными, квадратными, приварными). Для более прочного соединения могут применяться шайбы (гроверы).
Конструкция и технические особенности
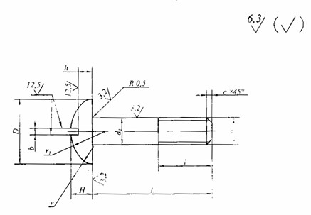
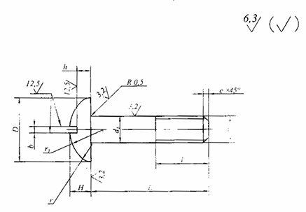
Конструкция винта состоит из плосковыпуклой головки и цилиндрического стержня.
Материал изготовления: пруток ВТ14, ОТ4, ВТ1.
Для использования винтов в агрессивной среде применяют различные виды покрытий - цинк, хром, никель, наносимые разнообразными способами.
Пример условного обозначения винта с полукруглой головкой диаметром резьбы d=5мм, длиной L=50мм из материала с условной маркировкой 61:
Винт М5х50-61-ОСТ 92-0758-72
ПРИМЕНЕНИЕ
Данные винты применяются во многих отраслях промышленности. Высокий спрос на изделие в машиностроении и строительстве, где такие болты используют для надежного крепления массивных деталей и металлических конструкций.
АНАЛОГИ
| ОСТ/ГОСТ | Нормаль | Наименование | Типоразмер | На складе |
| ОСТ 92-0758-72 | Винт | М4х10 | В наличии | |
| ОСТ 92-0758-72 | Винт | М4х12 | В наличии | |
| ОСТ 92-0758-72 | Винт | М4х14 | В наличии | |
| ОСТ 92-0758-72 | Винт | М4х16 | В наличии | |
| ОСТ 92-0758-72 | Винт | М4х18 | В наличии | |
| ОСТ 92-0758-72 | Винт | М4х20 | В наличии | |
| ОСТ 92-0758-72 | Винт | М4х22 | В наличии | |
| ОСТ 92-0758-72 | Винт | М4х24 | В наличии | |
| ОСТ 92-0758-72 | Винт | М4х26 | В наличии | |
| ОСТ 92-0758-72 | Винт | М4х28 | В наличии | |
| ОСТ 92-0758-72 | Винт | М4х30 | В наличии | |
| ОСТ 92-0758-72 | Винт | М4х32 | В наличии | |
| ОСТ 92-0758-72 | Винт | М4х34 | В наличии | |
| ОСТ 92-0758-72 | Винт | М5х14 | В наличии | |
| ОСТ 92-0758-72 | Винт | М5х16 | В наличии | |
| ОСТ 92-0758-72 | Винт | М5х18 | В наличии | |
| ОСТ 92-0758-72 | Винт | М5х20 | В наличии | |
| ОСТ 92-0758-72 | Винт | М5х22 | В наличии | |
| ОСТ 92-0758-72 | Винт | М5х24 | В наличии | |
| ОСТ 92-0758-72 | Винт | М5х26 | В наличии | |
| ОСТ 92-0758-72 | Винт | М5х28 | В наличии | |
| ОСТ 92-0758-72 | Винт | М5х30 | В наличии | |
| ОСТ 92-0758-72 | Винт | М5х32 | В наличии | |
| ОСТ 92-0758-72 | Винт | М5х34 | В наличии | |
| ОСТ 92-0758-72 | Винт | М5х36 | В наличии | |
| ОСТ 92-0758-72 | Винт | М5х38 | В наличии | |
| ОСТ 92-0758-72 | Винт | М5х40 | В наличии | |
| ОСТ 92-0758-72 | Винт | М5х42 | В наличии | |
| ОСТ 92-0758-72 | Винт | М5х44 | В наличии | |
| ОСТ 92-0758-72 | Винт | М5х46 | В наличии | |
| ОСТ 92-0758-72 | Винт | М5х48 | В наличии | |
| ОСТ 92-0758-72 | Винт | М5х50 | В наличии |
Для изготовителей и поставщиков: Добавить мои товары в базу
Для покупателей: Подать заявку на покупку
| Наименование | Типоразмер | Материал | Количество, шт | Вес, кг |
| Винт ОСТ 92-0758-72 |
ОСТ 1 30055-84 Накатка кольцевая стержней болт-заклепок из титанового сплава
ОСТ 1 31076-80 Маркировка крепежных изделий взамен НОРМАЛЬ 176АТ
ОСТ 1 31076-80: Маркировка крепежных изделий (взамен НОРМАЛЬ 176АТ)
ОСТ 1 39502-77 Стопорение болтов, винтов, шпилек, штифтов и гаек
ОСТ 1 39503-77 Длины болтов и винтов
ОСТ 1 39504-79 Головки шестигранные болтов и винтов
ОСТ 1 51730-79 Оснастка для формообразования концов труб тяг управления из сплава Д16Т
ОСТ 1 51731-79 Оснастка для формообразования концов труб тяг управления из сплава Д16Т
ОСТ 1.41001-79 Диаметры отверстий под нарезание резьбы метрической по нормали 754АТ
ОСТ 1.41002-79 Диаметры стержней под нарезание резьбы метрической по нормали 754АТ и ОСТ 1.00039-73
ОСТ 92-0762-72 Болты, винты из титановых сплавов
ОСТ 92-1179-77 Детали и сборочные единицы из сталей марок 07Х16Н6 и 08Х17Н5М3
ОСТ 92-8653-75 по ОСТ 92-8674-75 Соединения трубопроводов по внутреннему конусу
ОСТ-1-33102-80 Взамен нормали 102АТУ Гайки ОСТ-1-33102-80
Отраслевая нормаль 214АТ В замен нормали 214МТ55 метрическая резьбой со свободной посадкой
Отраслевая нормаль 714М55 pdf Кольца плоские ,стопорные технические условия
Отраслевая нормаль авиационной техники 101АТУ Взамен 201СТУ51
2025 «Быстрометиз». Мы не интернет-магазин. Информация о наличии и стоимости продукции не является публичной офертой.
Задайте вопрос нашим специалистам