Нормаль 2801А Соединения трубопроводов по наружному конусу.Угольники ввертные типа А

Нормаль 2801А УГОЛЬНИКИ ВВЕРТНЫЕ типа А

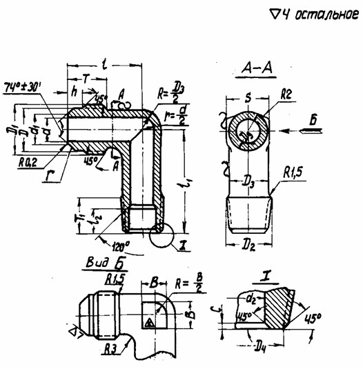
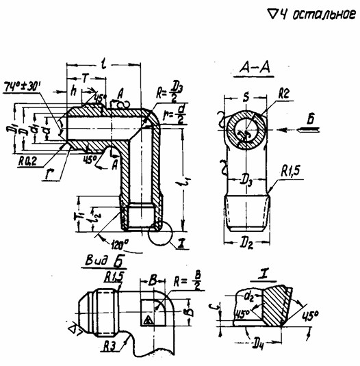
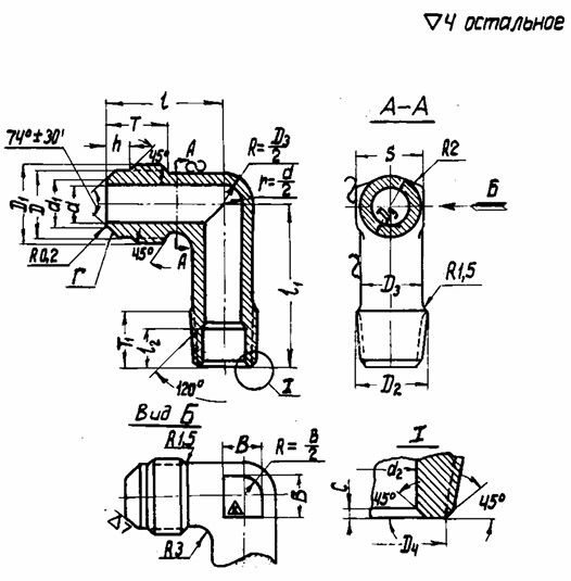
     Угольники ввертные по нормали 2801А – это особый крепеж, предназначенный для соединений трубопроводов по наружному конусу. Взамен 1011А55.

КОНСТРУКЦИЯ И ТЕХНИЧЕСКИЕ ОСОБЕННОСТИ

     Конструкция состоит из углового трубчатого корпуса с плоским буртом и резьбой.

     Материал изготовления: штамповка из стали марки 45.

     Материал покрытия: Кд.

Нормаль 2801А.pdf

Пример обозначения ввертного угольника к трубопроводу =10 мм длиной l1=30 мм из стали марки 45:

2801А - 10 - 30

Угольник ввертной
Наименование метиза
10
Наружный диаметр трубы
30
Длина
2801А
Нормативно-технический документ

ПРИМЕНЕНИЕ

     Данные угольники ввертные применяются во многих отраслях промышленности. Высокий спрос на изделие в машиностроении и в строительстве, где такие угольники используют для надежного крепления трубопроводов в различных системах.

АНАЛОГИ

Взамен 1011А55

ОСТ/ГОСТНормальНаименованиеТипоразмерНа складе
Нормаль 2801АУгольник ввертной2х18В наличии
Нормаль 2801АУгольник ввертной2х24В наличии
Нормаль 2801АУгольник ввертной2х30В наличии
Нормаль 2801АУгольник ввертной3х19В наличии
Нормаль 2801АУгольник ввертной3х26В наличии
Нормаль 2801АУгольник ввертной3х34В наличии
Нормаль 2801АУгольник ввертной4х21В наличии
Нормаль 2801АУгольник ввертной4х28В наличии
Нормаль 2801АУгольник ввертной4х38В наличии
Нормаль 2801АУгольник ввертной6х22В наличии
Нормаль 2801АУгольник ввертной6х33В наличии
Нормаль 2801АУгольник ввертной6х45В наличии
Нормаль 2801АУгольник ввертной8х27В наличии
Нормаль 2801АУгольник ввертной8х38В наличии
Нормаль 2801АУгольник ввертной8х52В наличии
Нормаль 2801АУгольник ввертной10х30В наличии
Нормаль 2801АУгольник ввертной10х42В наличии
Нормаль 2801АУгольник ввертной10х60В наличии
Нормаль 2801АУгольник ввертной12х34В наличии
Нормаль 2801АУгольник ввертной12х48В наличии
Нормаль 2801АУгольник ввертной12х68В наличии
Нормаль 2801АУгольник ввертной14х40В наличии
Нормаль 2801АУгольник ввертной14х56В наличии
Нормаль 2801АУгольник ввертной14х80В наличии
Нормаль 2801АУгольник ввертной16х44В наличии
Нормаль 2801АУгольник ввертной16х65В наличии
Нормаль 2801АУгольник ввертной16х90В наличии
Нормаль 2801АУгольник ввертной18х45В наличии
Нормаль 2801АУгольник ввертной18х65В наличии
Нормаль 2801АУгольник ввертной18х90В наличии
Нормаль 2801АУгольник ввертной20х47В наличии
Нормаль 2801АУгольник ввертной20х70В наличии
Нормаль 2801АУгольник ввертной20х100В наличии
Нормаль 2801АУгольник ввертной22х52В наличии
Нормаль 2801АУгольник ввертной22х75В наличии
Нормаль 2801АУгольник ввертной22х105В наличии
Нормаль 2801АУгольник ввертной25х60В наличии
Нормаль 2801АУгольник ввертной25х80В наличии
Нормаль 2801АУгольник ввертной25х120В наличии
Нормаль 2801АУгольник ввертной28х60В наличии
Нормаль 2801АУгольник ввертной28х80В наличии
Нормаль 2801АУгольник ввертной28х120В наличии
Нормаль 2801АУгольник ввертной30х65В наличии
Нормаль 2801АУгольник ввертной30х90В наличии
Нормаль 2801АУгольник ввертной30х130В наличии
Нормаль 2801АУгольник ввертной32х65В наличии
Нормаль 2801АУгольник ввертной32х95В наличии
Нормаль 2801АУгольник ввертной32х135В наличии
Нормаль 2801АУгольник ввертной35х65В наличии
Нормаль 2801АУгольник ввертной35х95В наличии
Нормаль 2801АУгольник ввертной35х135В наличии

Для изготовителей и поставщиков: Добавить мои товары в базу

Для покупателей: Подать заявку на покупку

НаименованиеТипоразмерМатериалКоличество, штВес, кг
Угольник ввертной Нормаль 2801А
О

ОСТ 1 30055-84 Накатка кольцевая стержней болт-заклепок из титанового сплава

ОСТ 1 31076-80 Маркировка крепежных изделий взамен НОРМАЛЬ 176АТ

ОСТ 1 31076-80: Маркировка крепежных изделий (взамен НОРМАЛЬ 176АТ)

ОСТ 1 38016-80 Футорки

ОСТ 1 38020-82 Втулки

ОСТ 1 39502-77 Стопорение болтов, винтов, шпилек, штифтов и гаек

ОСТ 1 39503-77 Длины болтов и винтов

ОСТ 1 39504-79 Головки шестигранные болтов и винтов

ОСТ 1 41471-79 Формообразование концов труб тяг управления из сплава Д16Т. Типовой технологический процесс

ОСТ 1 51730-79 Оснастка для формообразования концов труб тяг управления из сплава Д16Т

ОСТ 1 51731-79 Оснастка для формообразования концов труб тяг управления из сплава Д16Т

ОСТ 1.41001-79 Диаметры отверстий под нарезание резьбы метрической по нормали 754АТ

ОСТ 1.41002-79 Диаметры стержней под нарезание резьбы метрической по нормали 754АТ и ОСТ 1.00039-73

ОСТ 92-0762-72 Болты, винты из титановых сплавов

ОСТ 92-0912-69 Детали из высокопрочных углеродистых легированных и высоколегированных сталей. ОСТ 92-0912-69

ОСТ 92-1179-77 Детали и сборочные единицы из сталей марок 07Х16Н6 и 08Х17Н5М3

ОСТ 92-8653-75 по ОСТ 92-8674-75 Соединения трубопроводов по внутреннему конусу

ОСТ-1-33102-80 Взамен нормали 102АТУ Гайки ОСТ-1-33102-80

Отраслевая нормаль 214АТ В замен нормали 214МТ55 метрическая резьбой со свободной посадкой

Отраслевая нормаль 714М55 pdf Кольца плоские ,стопорные технические условия

Отраслевая нормаль авиационной техники 101АТУ Взамен 201СТУ51

Отраслевая нормаль авиационной техники. Нормаль 722АТ.

Р

РЕЗЬБА МЕТРИЧЕСКАЯ

Резьба метрическая усиленная тугой посадкой сталь в алюминиевые и магниевые сплавы. Нормаль 254АТ взамен нормальный 154МТ46

Резьба метрическая. Основные размеры и допуски. Отраслевая нормаль 257АТ взамен 57АТ50 взамен 153МТ54.

РЕЗЬБА ТРАПЕЦЕИДАЛЬНАЯ

РЕЗЬБА ТРУБНАЯ ЦИЛИНДРИЧЕСКАЯ

РЕЗЬБА УПОРНАЯ

Резьба усиленная метрическая тугой посадкой сталь сталь система вала настоящая норма распространяется на резьбу усиленную метрическую тугой посадкой для сопрягаемых материалов сталь в сталь. Нормаль 122МТ53 взамен нормали 122МТ51

Резьба усиленная метрическая тугой посадкой сталь сталь система вала настоящая норма распространяется на резьбу усиленную метрическую тугой посадкой для сопрягаемых материалов сталь в сталь. Нормаль 122МТ53 взамен нормали 122МТ51

Резьбовые соединения. Резьба метрическая с натягом по посадкам 2Н5Д и 2Н5С Отраслевой стандарт ОСТ 1 04065–92

Оформите заказ или получите консультацию