ОСТ 1 13700-81 Наконечники для электропроводов
Настоящий стандарт распространяется на наконечники для электропроводов, применяемые в электрических цепях летательных аппаратов.
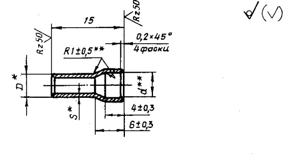
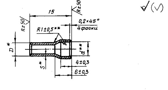
КОНСТРУКЦИЯ И ТЕХНИЧЕСКИЕ ОСОБЕННОСТИ
Конструкция наконечников состоит из трубчатого корпуса.
Материал изготовления: труба ХКРХМ НД М3 ГОСТ 617-2006. Допускается изготавливать из трубы М1 и М2.
Покрытие: ОЗ-6опл. Ср9.хр. Допускается Н3-6.О-Ви6-9.
Пример наименования и обозначения наконечника для электропроводов типоразмера 4 оловянированного:
Наконечник 4-ОЗ-6.опл - ОСТ 1 13700-81
То же, серебреного:
Наконечник 4-Ср9.нхр - ОСТ 1 13700-81
ПРИМЕНЕНИЕ
Данные наконечники применяются во многих отраслях промышленности. Высокий спрос на изделие в машиностроении и в строительстве, где такие наконечники используют для надежного крепления проводов и кабелей в электросетях.
АНАЛОГИ
| ОСТ/ГОСТ | Нормаль | Наименование | Типоразмер | На складе |
| ОСТ 1 13700-81 | Наконечник | 1 | В наличии | |
| ОСТ 1 13700-81 | Наконечник | 2 | В наличии | |
| ОСТ 1 13700-81 | Наконечник | 3 | В наличии | |
| ОСТ 1 13700-81 | Наконечник | 4 | В наличии | |
| ОСТ 1 13700-81 | Наконечник | 5 | В наличии | |
| ОСТ 1 13700-81 | Наконечник | 6 | В наличии | |
| ОСТ 1 13700-81 | Наконечник | 7 | В наличии | |
| ОСТ 1 13700-81 | Наконечник | 8 | В наличии |
Для изготовителей и поставщиков: Добавить мои товары в базу
Для покупателей: Подать заявку на покупку
| Наименование | Типоразмер | Материал | Количество, шт | Вес, кг |
| Наконечник ОСТ 1 13700-81 |
ОСТ 1 30055-84 Накатка кольцевая стержней болт-заклепок из титанового сплава
ОСТ 1 31076-80 Маркировка крепежных изделий взамен НОРМАЛЬ 176АТ
ОСТ 1 31076-80: Маркировка крепежных изделий (взамен НОРМАЛЬ 176АТ)
ОСТ 1 39502-77 Стопорение болтов, винтов, шпилек, штифтов и гаек
ОСТ 1 39503-77 Длины болтов и винтов
ОСТ 1 39504-79 Головки шестигранные болтов и винтов
ОСТ 1 51730-79 Оснастка для формообразования концов труб тяг управления из сплава Д16Т
ОСТ 1 51731-79 Оснастка для формообразования концов труб тяг управления из сплава Д16Т
ОСТ 1.41001-79 Диаметры отверстий под нарезание резьбы метрической по нормали 754АТ
ОСТ 1.41002-79 Диаметры стержней под нарезание резьбы метрической по нормали 754АТ и ОСТ 1.00039-73
ОСТ 92-0762-72 Болты, винты из титановых сплавов
ОСТ 92-1130-85 Детали стальные точные
ОСТ 92-1179-77 Детали и сборочные единицы из сталей марок 07Х16Н6 и 08Х17Н5М3
ОСТ 92-8653-75 по ОСТ 92-8674-75 Соединения трубопроводов по внутреннему конусу
ОСТ-1-33102-80 Взамен нормали 102АТУ Гайки ОСТ-1-33102-80
Отраслевая нормаль 214АТ В замен нормали 214МТ55 метрическая резьбой со свободной посадкой
Отраслевая нормаль 714М55 pdf Кольца плоские ,стопорные технические условия
Отраслевая нормаль авиационной техники 101АТУ Взамен 201СТУ51
2026 «Быстрометиз». Мы не интернет-магазин. Информация о наличии и стоимости продукции не является публичной офертой.
Задайте вопрос нашим специалистам