ОСТ В3-1939-91 Бирки маркировочные кабельные

ОСТ В3-1939-91 БИРКИ МАРКИРОВОЧНЫе металлические

Настоящий стандарт распространяется на металлический бирки, применяемые для маркировки электрических кабелей и проводов диаметром от 5 до 52мм, используемых в изделиях комплексов наземного оборудования.

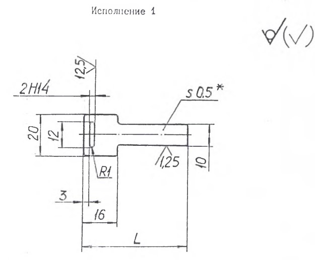
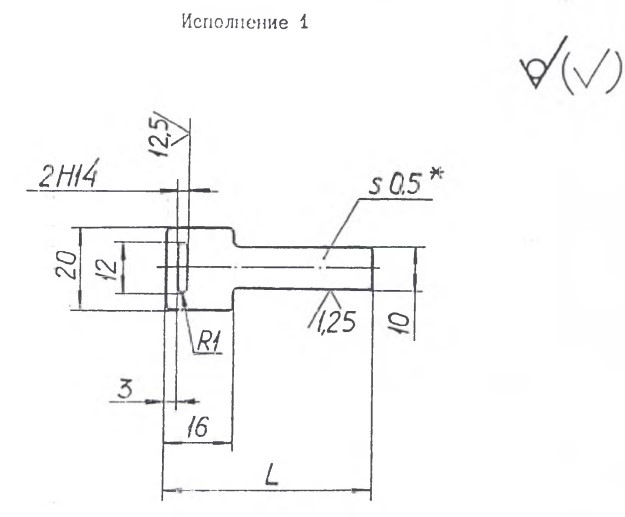
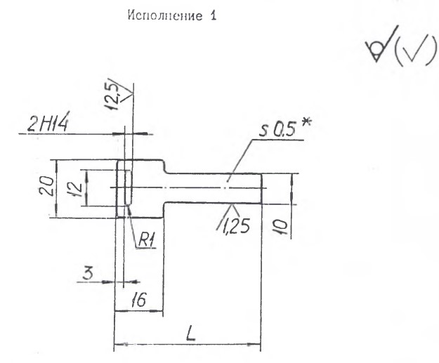
КОНСТРУКЦИЯ И ТЕХНИЧЕСКИЕ ОСОБЕННОСТИ

Конструкция бирки состоит из металлической пластины.

Материал изготовления: лист х/к Б-ПН-0-0,5 ГОСТ 19904/К270В5-П-Г-08 ГОСТ 16523, лист АМг2М/АМцМ/АД1М-0,5 ГОСТ 21631

Материал покрытия: Ц9.хр, Кд9.хр, Хим.пас., Ан.Окс.хром, без покрытия.

ОСТ В3-1939-91.pdf

Пример условного обозначения бирки исполнения 1 длиной L=40мм из стали (01) с покрытием Ц9.хр.:

Бирка 1-40-01 Ц9.хр ОСТ В3-1939-91

То же, из алюминиевого сплава (02) с покрытием Хим.Окс.:

Бирка 1-40-02 Хим.Окс ОСТ В3-1939-91

Бирка
Наименование метиза
1
Исполнение
40
Длина
02
Материал
Хим.Окс
Покрытие
ОСТ В3-1939-91
Нормативно-технический документ

Пример условного обозначения бирки исполнения 2 с размерами l2=8мм и L=40мм из стали (01) с покрытием Ц9.хр.:

Бирка 2-8-40-01 Ц9.хр ОСТ В3-1939-91

То же, из алюминиевого сплава (02) с покрытием Хим.Окс.:

Бирка 2-8-40-02 Хим.Окс ОСТ В3-1939-91

Бирка
Наименование метиза
2
Исполнение
8
Размер
40
Длина
02
Материал
Хим.Окс.
Покрытие
ОСТ В3-1939-91
Нормативно-технический документ

Пример условного обозначения бирки исполнения 3 длиной L=50мм из стали (01) с покрытием Ц9.хр.:

Бирка 3-50-01 Ц9.хр ОСТ В3-1939-91

То же, из алюминиевого сплава (02) с покрытием Хим.Окс.:

Бирка 3-50-02 Хим.Окс ОСТ В3-1939-91

Бирка
Наименование метиза
3
Исполнение
50
Длина
02
Материал
Хим.Окс
Покрытие
ОСТ В3-1939-91
Нормативно-технический документ

ПРИМЕНЕНИЕ

     Данные бирки используются во многих отраслях промышленности.

АНАЛОГИ

ОСТ/ГОСТНормальНаименованиеТипоразмерНа складе
ОСТ В3-1939-91Бирка1х5х32В наличии
ОСТ В3-1939-91Бирка1х6х32В наличии
ОСТ В3-1939-91Бирка1х7х40В наличии
ОСТ В3-1939-91Бирка1х8х40В наличии
ОСТ В3-1939-91Бирка1х9х50В наличии
ОСТ В3-1939-91Бирка1х10х50В наличии
ОСТ В3-1939-91Бирка1х11х56В наличии
ОСТ В3-1939-91Бирка1х13х63В наличии
ОСТ В3-1939-91Бирка1х15х71В наличии
ОСТ В3-1939-91Бирка1х18х80В наличии
ОСТ В3-1939-91Бирка1х21х90В наличии
ОСТ В3-1939-91Бирка1х24х100В наличии
ОСТ В3-1939-91Бирка1х27х110В наличии
ОСТ В3-1939-91Бирка1х30х125В наличии
ОСТ В3-1939-91Бирка1х35х140В наличии
ОСТ В3-1939-91Бирка1х40х160В наличии
ОСТ В3-1939-91Бирка1х46х180В наличии
ОСТ В3-1939-91Бирка1х52х200В наличии
ОСТ В3-1939-91Бирка2х8х40В наличии
ОСТ В3-1939-91Бирка2х15х40В наличии
ОСТ В3-1939-91Бирка2х8х80В наличии
ОСТ В3-1939-91Бирка2х15х80В наличии
ОСТ В3-1939-91Бирка2х12х140В наличии
ОСТ В3-1939-91Бирка2х15х140В наличии
ОСТ В3-1939-91Бирка2х15х200В наличии
ОСТ В3-1939-91Бирка3х5х30В наличии
ОСТ В3-1939-91Бирка3х7х35В наличии
ОСТ В3-1939-91Бирка3х8х40В наличии
ОСТ В3-1939-91Бирка3х9х45В наличии
ОСТ В3-1939-91Бирка3х10х50В наличии
ОСТ В3-1939-91Бирка3х13х60В наличии
ОСТ В3-1939-91Бирка3х15х70В наличии
ОСТ В3-1939-91Бирка3х18х80В наличии
ОСТ В3-1939-91Бирка3х21х90В наличии
ОСТ В3-1939-91Бирка3х24х100В наличии
ОСТ В3-1939-91Бирка3х27х110В наличии
ОСТ В3-1939-91Бирка3х30х120В наличии
ОСТ В3-1939-91Бирка3х33х130В наличии
ОСТ В3-1939-91Бирка3х35х140В наличии

Для изготовителей и поставщиков: Добавить мои товары в базу

Для покупателей: Подать заявку на покупку

НаименованиеТипоразмерМатериалКоличество, штВес, кг
Бирка ОСТ В3-1939-91
О

ОСТ 1 30055-84 Накатка кольцевая стержней болт-заклепок из титанового сплава

ОСТ 1 31076-80 Маркировка крепежных изделий взамен НОРМАЛЬ 176АТ

ОСТ 1 31076-80: Маркировка крепежных изделий (взамен НОРМАЛЬ 176АТ)

ОСТ 1 38016-80 Футорки

ОСТ 1 38020-82 Втулки

ОСТ 1 39502-77 Стопорение болтов, винтов, шпилек, штифтов и гаек

ОСТ 1 39503-77 Длины болтов и винтов

ОСТ 1 39504-79 Головки шестигранные болтов и винтов

ОСТ 1 41471-79 Формообразование концов труб тяг управления из сплава Д16Т. Типовой технологический процесс

ОСТ 1 51730-79 Оснастка для формообразования концов труб тяг управления из сплава Д16Т

ОСТ 1 51731-79 Оснастка для формообразования концов труб тяг управления из сплава Д16Т

ОСТ 1.41001-79 Диаметры отверстий под нарезание резьбы метрической по нормали 754АТ

ОСТ 1.41002-79 Диаметры стержней под нарезание резьбы метрической по нормали 754АТ и ОСТ 1.00039-73

ОСТ 92-0762-72 Болты, винты из титановых сплавов

ОСТ 92-0912-69 Детали из высокопрочных углеродистых легированных и высоколегированных сталей. ОСТ 92-0912-69

ОСТ 92-1179-77 Детали и сборочные единицы из сталей марок 07Х16Н6 и 08Х17Н5М3

ОСТ 92-8653-75 по ОСТ 92-8674-75 Соединения трубопроводов по внутреннему конусу

ОСТ-1-33102-80 Взамен нормали 102АТУ Гайки ОСТ-1-33102-80

Отраслевая нормаль 214АТ В замен нормали 214МТ55 метрическая резьбой со свободной посадкой

Отраслевая нормаль 714М55 pdf Кольца плоские ,стопорные технические условия

Отраслевая нормаль авиационной техники 101АТУ Взамен 201СТУ51

Отраслевая нормаль авиационной техники. Нормаль 722АТ.

Р

РЕЗЬБА МЕТРИЧЕСКАЯ

Резьба метрическая усиленная тугой посадкой сталь в алюминиевые и магниевые сплавы. Нормаль 254АТ взамен нормальный 154МТ46

Резьба метрическая. Основные размеры и допуски. Отраслевая нормаль 257АТ взамен 57АТ50 взамен 153МТ54.

РЕЗЬБА ТРАПЕЦЕИДАЛЬНАЯ

РЕЗЬБА ТРУБНАЯ ЦИЛИНДРИЧЕСКАЯ

РЕЗЬБА УПОРНАЯ

Резьба усиленная метрическая тугой посадкой сталь сталь система вала настоящая норма распространяется на резьбу усиленную метрическую тугой посадкой для сопрягаемых материалов сталь в сталь. Нормаль 122МТ53 взамен нормали 122МТ51

Резьба усиленная метрическая тугой посадкой сталь сталь система вала настоящая норма распространяется на резьбу усиленную метрическую тугой посадкой для сопрягаемых материалов сталь в сталь. Нормаль 122МТ53 взамен нормали 122МТ51

Резьбовые соединения. Резьба метрическая с натягом по посадкам 2Н5Д и 2Н5С Отраслевой стандарт ОСТ 1 04065–92

Оформите заказ или получите консультацию