ОСТ 1 12393-77 ШАЙБЫ СТОПОРНЫЕ С ЛАПКОЙ И УСИЛЕННЫМ ЛЕПЕСТКОМ
Шайбы по ОСТ 1 12393-77 - это крепеж, который представляет собой плоское кольцо с двумя язычками, ими крепят металлические конструкции с помощью болтов (шпилек) и гаек. Используются вместе с болтами (шпильками, приваренными стержнями с резьбой) и гайками. Для более прочного соединения могут применяться шайбы (гроверы).
КОНСТРУКЦИЯ И ТЕХНИЧЕСКИЕ ОСОБЕННОСТИ
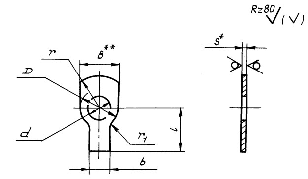
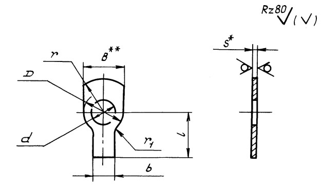
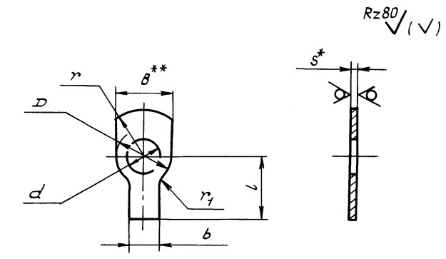
Конструкция шайбы состоит изплоского кольца с двумя язычками.
Материал изготовления должен быть из стали марки 12Х18Н10Т-М.
Материал покрытия: Хим.пас.
Пример наименования и обозначения стопорной шайбы с лапкой и усиленным лепестком для крепежной детали с номинальным диаметром резьбы 6 мм и расстоянием от основания до центра отверстия 12 мм из стали 12Х18Н10Т-М, пассивированной:
Расшифровка обозначения: Шайба 6-12-Хим.Пас-ОСТ 1 12393-77
ПРИМЕНЕНИЕ
Шайбы применяются во многих отраслях промышленности, строительства и машиностроении. Высокий спрос на изделие и в машиностроеннии, где такие шайбы используют для надежного крепления, соединения деталей и металлических конструкций.
АНАЛОГИ
| ОСТ/ГОСТ | Нормаль | Наименование | Типоразмер | На складе |
| ОСТ 1 12393-77 | Шайба | 5х10 | В наличии | |
| ОСТ 1 12393-77 | Шайба | 5х16 | В наличии | |
| ОСТ 1 12393-77 | Шайба | 6х9 | В наличии | |
| ОСТ 1 12393-77 | Шайба | 6х12 | В наличии | |
| ОСТ 1 12393-77 | Шайба | 6х18 | В наличии | |
| ОСТ 1 12393-77 | Шайба | 8х11 | В наличии | |
| ОСТ 1 12393-77 | Шайба | 8х15 | В наличии | |
| ОСТ 1 12393-77 | Шайба | 8х20 | В наличии | |
| ОСТ 1 12393-77 | Шайба | 10х13 | В наличии | |
| ОСТ 1 12393-77 | Шайба | 10х18 | В наличии | |
| ОСТ 1 12393-77 | Шайба | 10х24 | В наличии | |
| ОСТ 1 12393-77 | Шайба | 12х16 | В наличии | |
| ОСТ 1 12393-77 | Шайба | 12х20 | В наличии | |
| ОСТ 1 12393-77 | Шайба | 12х26 | В наличии | |
| ОСТ 1 12393-77 | Шайба | 14х24 | В наличии | |
| ОСТ 1 12393-77 | Шайба | 14х30 | В наличии | |
| ОСТ 1 12393-77 | Шайба | 16х27 | В наличии | |
| ОСТ 1 12393-77 | Шайба | 16х32 | В наличии | |
| ОСТ 1 12393-77 | Шайба | 18х30 | В наличии | |
| ОСТ 1 12393-77 | Шайба | 18х36 | В наличии | |
| ОСТ 1 12393-77 | Шайба | 20х32 | В наличии | |
| ОСТ 1 12393-77 | Шайба | 20х38 | В наличии |
Для изготовителей и поставщиков: Добавить мои товары в базу
Для покупателей: Подать заявку на покупку
| Наименование | Типоразмер | Материал | Количество, шт | Вес, кг |
| Шайба ОСТ 1 12393-77 |
ОСТ 1 30055-84 Накатка кольцевая стержней болт-заклепок из титанового сплава
ОСТ 1 31076-80 Маркировка крепежных изделий взамен НОРМАЛЬ 176АТ
ОСТ 1 31076-80: Маркировка крепежных изделий (взамен НОРМАЛЬ 176АТ)
ОСТ 1 39502-77 Стопорение болтов, винтов, шпилек, штифтов и гаек
ОСТ 1 39503-77 Длины болтов и винтов
ОСТ 1 39504-79 Головки шестигранные болтов и винтов
ОСТ 1 51730-79 Оснастка для формообразования концов труб тяг управления из сплава Д16Т
ОСТ 1 51731-79 Оснастка для формообразования концов труб тяг управления из сплава Д16Т
ОСТ 1.41001-79 Диаметры отверстий под нарезание резьбы метрической по нормали 754АТ
ОСТ 1.41002-79 Диаметры стержней под нарезание резьбы метрической по нормали 754АТ и ОСТ 1.00039-73
ОСТ 92-0762-72 Болты, винты из титановых сплавов
ОСТ 92-1130-85 Детали стальные точные
ОСТ 92-1179-77 Детали и сборочные единицы из сталей марок 07Х16Н6 и 08Х17Н5М3
ОСТ 92-8653-75 по ОСТ 92-8674-75 Соединения трубопроводов по внутреннему конусу
ОСТ-1-33102-80 Взамен нормали 102АТУ Гайки ОСТ-1-33102-80
Отраслевая нормаль 214АТ В замен нормали 214МТ55 метрическая резьбой со свободной посадкой
Отраслевая нормаль 714М55 pdf Кольца плоские ,стопорные технические условия
Отраслевая нормаль авиационной техники 101АТУ Взамен 201СТУ51
2026 «Быстрометиз». Мы не интернет-магазин. Информация о наличии и стоимости продукции не является публичной офертой.
Задайте вопрос нашим специалистам