Нормаль 589М56 Футорки с бортиком глухой

НОРМАЛЬ 589М56 ФУТОРКи

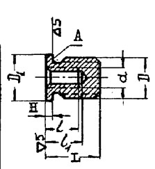
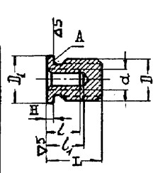
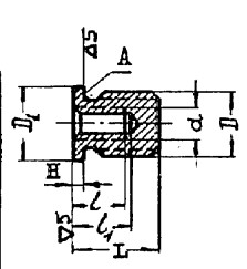
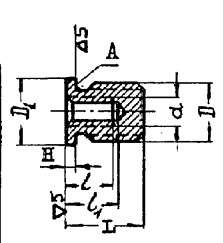
Футорки по нормали 589М56 с бортиком глухой – это это особый крепеж, предназначенный для соединения деталей, трубопроводов или иных элементов.

КОНСТРУКЦИЯ И ТЕХНИЧЕСКИЕ ОСОБЕННОСТИ

Конструкция футорки состоит из цилиндрической формы с отверстием.

Материал изготовления: сталь 38ХА, латунь ЛС59.

Материал покрытия: Кд.

Нормаль 589М56.pdf

Пример наименования и обозначения футорки с резьбами D=УТ18х1,5 и d=М12х1,5 и , длиной L=30мм, из стали 38ХА, с покрытием Кд:

Футорка 18-12-30-Кд-С589М56

То же, из латуни:

Футорка 18-12-30-Кд-Л589М56

Футорки
Наименование метиза
18
Резьба
12
Резьба
30
Длина
Кд
Покрытие
589М56
Нормативно-технический документ

ПРИМЕНЕНИЕ

     Данные футорки используются во многих отраслях промышленности.

АНАЛОГИ

ОСТ 1 38010-80

ОСТ/ГОСТНормальНаименованиеТипоразмерНа складе
589М56Футорка18х1,25х5х13В наличии
589М56Футорка18х1,25х5х15В наличии
589М56Футорка10х1,5х6х14В наличии
589М56Футорка10х1,5х6х16В наличии
589М56Футорка12х1,5х8х16В наличии
589М56Футорка12х1,5х8х20В наличии
589М56Футорка14х1,5х10х19В наличии
589М56Футорка14х1,5х10х25В наличии
589М56Футорка16х1,5х12х1,5х22В наличии
589М56Футорка16х1,5х12х1,5х30В наличии
589М56Футорка18х1,5х12х1,5х22В наличии
589М56Футорка18х1,5х12х1,5х30В наличии

Для изготовителей и поставщиков: Добавить мои товары в базу

Для покупателей: Подать заявку на покупку

НаименованиеТипоразмерМатериалКоличество, штВес, кг
Футорка 589М56
О

ОСТ 1 30055-84 Накатка кольцевая стержней болт-заклепок из титанового сплава

ОСТ 1 31076-80 Маркировка крепежных изделий взамен НОРМАЛЬ 176АТ

ОСТ 1 31076-80: Маркировка крепежных изделий (взамен НОРМАЛЬ 176АТ)

ОСТ 1 38016-80 Футорки

ОСТ 1 38020-82 Втулки

ОСТ 1 39502-77 Стопорение болтов, винтов, шпилек, штифтов и гаек

ОСТ 1 39503-77 Длины болтов и винтов

ОСТ 1 39504-79 Головки шестигранные болтов и винтов

ОСТ 1 41471-79 Формообразование концов труб тяг управления из сплава Д16Т. Типовой технологический процесс

ОСТ 1 51730-79 Оснастка для формообразования концов труб тяг управления из сплава Д16Т

ОСТ 1 51731-79 Оснастка для формообразования концов труб тяг управления из сплава Д16Т

ОСТ 1.41001-79 Диаметры отверстий под нарезание резьбы метрической по нормали 754АТ

ОСТ 1.41002-79 Диаметры стержней под нарезание резьбы метрической по нормали 754АТ и ОСТ 1.00039-73

ОСТ 92-0762-72 Болты, винты из титановых сплавов

ОСТ 92-0912-69 Детали из высокопрочных углеродистых легированных и высоколегированных сталей. ОСТ 92-0912-69

ОСТ 92-1179-77 Детали и сборочные единицы из сталей марок 07Х16Н6 и 08Х17Н5М3

ОСТ 92-8653-75 по ОСТ 92-8674-75 Соединения трубопроводов по внутреннему конусу

ОСТ-1-33102-80 Взамен нормали 102АТУ Гайки ОСТ-1-33102-80

Отраслевая нормаль 214АТ В замен нормали 214МТ55 метрическая резьбой со свободной посадкой

Отраслевая нормаль 714М55 pdf Кольца плоские ,стопорные технические условия

Отраслевая нормаль авиационной техники 101АТУ Взамен 201СТУ51

Отраслевая нормаль авиационной техники. Нормаль 722АТ.

Р

РЕЗЬБА МЕТРИЧЕСКАЯ

Резьба метрическая усиленная тугой посадкой сталь в алюминиевые и магниевые сплавы. Нормаль 254АТ взамен нормальный 154МТ46

Резьба метрическая. Основные размеры и допуски. Отраслевая нормаль 257АТ взамен 57АТ50 взамен 153МТ54.

РЕЗЬБА ТРАПЕЦЕИДАЛЬНАЯ

РЕЗЬБА ТРУБНАЯ ЦИЛИНДРИЧЕСКАЯ

РЕЗЬБА УПОРНАЯ

Резьба усиленная метрическая тугой посадкой сталь сталь система вала настоящая норма распространяется на резьбу усиленную метрическую тугой посадкой для сопрягаемых материалов сталь в сталь. Нормаль 122МТ53 взамен нормали 122МТ51

Резьба усиленная метрическая тугой посадкой сталь сталь система вала настоящая норма распространяется на резьбу усиленную метрическую тугой посадкой для сопрягаемых материалов сталь в сталь. Нормаль 122МТ53 взамен нормали 122МТ51

Резьбовые соединения. Резьба метрическая с натягом по посадкам 2Н5Д и 2Н5С Отраслевой стандарт ОСТ 1 04065–92

Оформите заказ или получите консультацию