ОСТ 1 13091-78 Заглушки ввертные

ОСТ 1 13091-78 ЗАГЛУШКИ ВВЕРТНЫЕ

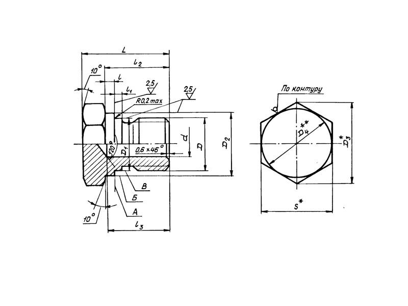
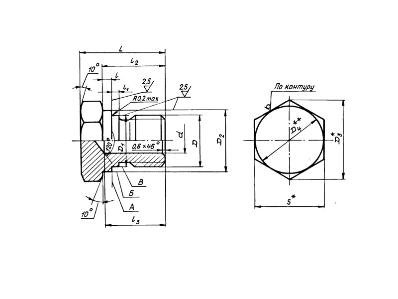
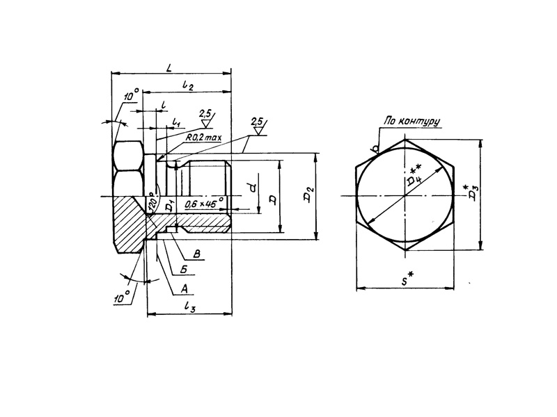
     Заглушки ввертные по ОСТ 1 13091-78 – это специальный крепеж, предназначенный для герметизации внутренних полостей с применением металлического уплотнения. Взамен нормалей 5495А, 5496А, 5497А, 5498А.

КОНСТРУКЦИЯ И ТЕХНИЧЕСКИЕ ОСОБЕННОСТИ

     Конструкция заглушки состоит из металлического трубчатого корпуса с глухим концом.

     Материал изготовления: сталь 12Х18Н9Т.

     Материал покрытия: Хим.Пас.

ОСТ 1 13091-78.pdf

Пример наименования и обозначения ввертной заглушки типоразмера 1 из алюминиевого сплава:

Заглушка ввертная 1-ОСТ 1 13088-78

То же, из стали 12Х18Н9Т:

Заглушка ввертная 1-ОСТ 1 13091-78

Заглушка ввертная
Наименование метиза
1
Типоразмер
ОСТ 1 13091-78
Нормативно-технический документ

ПРИМЕНЕНИЕ

     Данные заглушки используются во многих отраслях промышленности.

АНАЛОГИ

Нормали 5495А, 5496А, 5497А, 5498А.

ОСТ/ГОСТНормальНаименованиеТипоразмерНа складе
ОСТ 1 13091-785495А, 5496А, 5497А, 5498АГайка1В наличии
ОСТ 1 13091-785495А, 5496А, 5497А, 5498АГайка2В наличии
ОСТ 1 13091-785495А, 5496А, 5497А, 5498АГайка3В наличии
ОСТ 1 13091-785495А, 5496А, 5497А, 5498АГайка4В наличии
ОСТ 1 13091-785495А, 5496А, 5497А, 5498АГайка5В наличии
ОСТ 1 13091-785495А, 5496А, 5497А, 5498АГайка6В наличии
ОСТ 1 13091-785495А, 5496А, 5497А, 5498АГайка7В наличии
ОСТ 1 13091-785495А, 5496А, 5497А, 5498АГайка8В наличии
ОСТ 1 13091-785495А, 5496А, 5497А, 5498АГайка9В наличии
ОСТ 1 13091-785495А, 5496А, 5497А, 5498АГайка10В наличии
ОСТ 1 13091-785495А, 5496А, 5497А, 5498АГайка11В наличии
ОСТ 1 13091-785495А, 5496А, 5497А, 5498АГайка12В наличии
ОСТ 1 13091-785495А, 5496А, 5497А, 5498АГайка13В наличии
ОСТ 1 13091-785495А, 5496А, 5497А, 5498АГайка14В наличии
ОСТ 1 13091-785495А, 5496А, 5497А, 5498АГайка15В наличии

Для изготовителей и поставщиков: Добавить мои товары в базу

Для покупателей: Подать заявку на покупку

НаименованиеТипоразмерМатериалКоличество, штВес, кг
Гайка ОСТ 1 13091-78 5495А, 5496А, 5497А, 5498А
О

ОСТ 1 30055-84 Накатка кольцевая стержней болт-заклепок из титанового сплава

ОСТ 1 31076-80 Маркировка крепежных изделий взамен НОРМАЛЬ 176АТ

ОСТ 1 31076-80: Маркировка крепежных изделий (взамен НОРМАЛЬ 176АТ)

ОСТ 1 38016-80 Футорки

ОСТ 1 38020-82 Втулки

ОСТ 1 39502-77 Стопорение болтов, винтов, шпилек, штифтов и гаек

ОСТ 1 39503-77 Длины болтов и винтов

ОСТ 1 39504-79 Головки шестигранные болтов и винтов

ОСТ 1 41471-79 Формообразование концов труб тяг управления из сплава Д16Т. Типовой технологический процесс

ОСТ 1 51730-79 Оснастка для формообразования концов труб тяг управления из сплава Д16Т

ОСТ 1 51731-79 Оснастка для формообразования концов труб тяг управления из сплава Д16Т

ОСТ 1.41001-79 Диаметры отверстий под нарезание резьбы метрической по нормали 754АТ

ОСТ 1.41002-79 Диаметры стержней под нарезание резьбы метрической по нормали 754АТ и ОСТ 1.00039-73

ОСТ 92-0762-72 Болты, винты из титановых сплавов

ОСТ 92-0912-69 Детали из высокопрочных углеродистых легированных и высоколегированных сталей. ОСТ 92-0912-69

ОСТ 92-1130-85 Детали стальные точные

ОСТ 92-1179-77 Детали и сборочные единицы из сталей марок 07Х16Н6 и 08Х17Н5М3

ОСТ 92-8653-75 по ОСТ 92-8674-75 Соединения трубопроводов по внутреннему конусу

ОСТ-1-33102-80 Взамен нормали 102АТУ Гайки ОСТ-1-33102-80

Отраслевая нормаль 214АТ В замен нормали 214МТ55 метрическая резьбой со свободной посадкой

Отраслевая нормаль 714М55 pdf Кольца плоские ,стопорные технические условия

Отраслевая нормаль авиационной техники 101АТУ Взамен 201СТУ51

Отраслевая нормаль авиационной техники. Нормаль 722АТ.

Р

РЕЗЬБА МЕТРИЧЕСКАЯ

Резьба метрическая усиленная тугой посадкой сталь в алюминиевые и магниевые сплавы. Нормаль 254АТ взамен нормальный 154МТ46

Резьба метрическая. Основные размеры и допуски. Отраслевая нормаль 257АТ взамен 57АТ50 взамен 153МТ54.

РЕЗЬБА ТРАПЕЦЕИДАЛЬНАЯ

РЕЗЬБА ТРУБНАЯ ЦИЛИНДРИЧЕСКАЯ

РЕЗЬБА УПОРНАЯ

Резьба усиленная метрическая тугой посадкой сталь сталь система вала настоящая норма распространяется на резьбу усиленную метрическую тугой посадкой для сопрягаемых материалов сталь в сталь. Нормаль 122МТ53 взамен нормали 122МТ51

Резьба усиленная метрическая тугой посадкой сталь сталь система вала настоящая норма распространяется на резьбу усиленную метрическую тугой посадкой для сопрягаемых материалов сталь в сталь. Нормаль 122МТ53 взамен нормали 122МТ51

Резьбовые соединения. Резьба метрическая с натягом по посадкам 2Н5Д и 2Н5С Отраслевой стандарт ОСТ 1 04065–92

Оформите заказ или получите консультацию