ОСТ 3-2234-93 штифты цилиндрические специальные
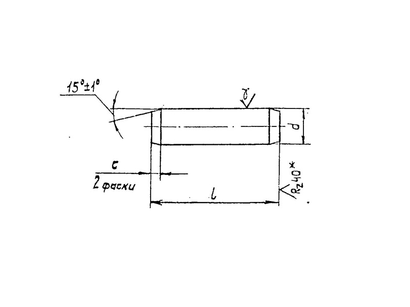
Штифты по ОСТ 3-2234-93 – это крепеж, который представляет собой металлический стержень, ими фиксируют детали относительно друг друга в определенном положении.
КОНСТРУКЦИЯ И ТЕХНИЧЕСКИЕ ОСОБЕННОСТИ
Конструкция штифта состоит из металлического стержня.
Материал изготовления: сталь.
Материал покрытия: без покрытия, Хим.Фос.прм.
Пример условного обозначения цилиндрического специального штифта исполнения 1, диаметром d=10мм с полем допуска u8, длиной l=60мм, из стали 45, без покрытия:
Штифт 10u8х60 ОСТ 3-2234-93
То же, исполнения 2, из стали 40Х, закаленный:
Штифт 2.10u8х60.40Х.К ОСТ 3-2234-93
То же, из стали 20Х13 с твердостью отличной от указанной в настоящем стандарте (например, 43,5 HRCэ):
Штифт 2.10u8х60.20Х13.43,5 К ОСТ 3-2234-93
То же, исполнения 3, с полем допуска Г, из стали 45, с термообработкой, незакаленный, с фосфатным покрытием:
Штифт 3.10Гх60.Т.Хим.Фос.прм ОСТ 3-2234-93
То же, с цифровым обозначением покрытия:
Штифт 3.10Гх60.Т.06 ОСТ 3-2234-93
ПРИМЕНЕНИЕ
Данные штифты применяются во многих отраслях промышленности.
АНАЛОГИ
| ОСТ/ГОСТ | Нормаль | Наименование | Типоразмер | На складе |
| ОСТ 3-2234-93 | Штифт | 0,6х2,5 | В наличии | |
| ОСТ 3-2234-93 | Штифт | 0,6х3,0 | В наличии | |
| ОСТ 3-2234-93 | Штифт | 0,6х4,0 | В наличии | |
| ОСТ 3-2234-93 | Штифт | 0,6х5,0 | В наличии | |
| ОСТ 3-2234-93 | Штифт | 0,6х6,0 | В наличии | |
| ОСТ 3-2234-93 | Штифт | 0,6х8,0 | В наличии | |
| ОСТ 3-2234-93 | Штифт | 0,8х2,5 | В наличии | |
| ОСТ 3-2234-93 | Штифт | 0,8х3,0 | В наличии | |
| ОСТ 3-2234-93 | Штифт | 0,8х4,0 | В наличии | |
| ОСТ 3-2234-93 | Штифт | 0,8х5,0 | В наличии | |
| ОСТ 3-2234-93 | Штифт | 0,8х6,0 | В наличии | |
| ОСТ 3-2234-93 | Штифт | 0,8х8,0 | В наличии | |
| ОСТ 3-2234-93 | Штифт | 0,8х10,0 | В наличии | |
| ОСТ 3-2234-93 | Штифт | 0,8х12,0 | В наличии | |
| ОСТ 3-2234-93 | Штифт | 1,0х3,0 | В наличии | |
| ОСТ 3-2234-93 | Штифт | 1,0х4,0 | В наличии | |
| ОСТ 3-2234-93 | Штифт | 1,0х5,0 | В наличии | |
| ОСТ 3-2234-93 | Штифт | 1,0х6,0 | В наличии | |
| ОСТ 3-2234-93 | Штифт | 1,0х8,0 | В наличии | |
| ОСТ 3-2234-93 | Штифт | 1,0х10,0 | В наличии | |
| ОСТ 3-2234-93 | Штифт | 1,0х12,0 | В наличии | |
| ОСТ 3-2234-93 | Штифт | 1,0х14,0 | В наличии | |
| ОСТ 3-2234-93 | Штифт | 1,0х16,0 | В наличии | |
| ОСТ 3-2234-93 | Штифт | 1,2х8,0 | В наличии | |
| ОСТ 3-2234-93 | Штифт | 1,5х3 | В наличии | |
| ОСТ 3-2234-93 | Штифт | 1,5х4 | В наличии | |
| ОСТ 3-2234-93 | Штифт | 1,5х5 | В наличии | |
| ОСТ 3-2234-93 | Штифт | 1,5х6 | В наличии | |
| ОСТ 3-2234-93 | Штифт | 1,5х8 | В наличии | |
| ОСТ 3-2234-93 | Штифт | 1,5х10 | В наличии | |
| ОСТ 3-2234-93 | Штифт | 1,5х12 | В наличии | |
| ОСТ 3-2234-93 | Штифт | 1,5х14 | В наличии | |
| ОСТ 3-2234-93 | Штифт | 1,5х16 | В наличии | |
| ОСТ 3-2234-93 | Штифт | 1,5х20 | В наличии | |
| ОСТ 3-2234-93 | Штифт | 1,5х25 | В наличии | |
| ОСТ 3-2234-93 | Штифт | 1,5х30 | В наличии | |
| ОСТ 3-2234-93 | Штифт | 2,0х4 | В наличии | |
| ОСТ 3-2234-93 | Штифт | 2,0х5 | В наличии | |
| ОСТ 3-2234-93 | Штифт | 2,0х6 | В наличии | |
| ОСТ 3-2234-93 | Штифт | 2,0х8 | В наличии | |
| ОСТ 3-2234-93 | Штифт | 2,0х10 | В наличии | |
| ОСТ 3-2234-93 | Штифт | 2,0х12 | В наличии | |
| ОСТ 3-2234-93 | Штифт | 2,0х14 | В наличии | |
| ОСТ 3-2234-93 | Штифт | 2,0х16 | В наличии | |
| ОСТ 3-2234-93 | Штифт | 2,0х18 | В наличии | |
| ОСТ 3-2234-93 | Штифт | 2,0х20 | В наличии | |
| ОСТ 3-2234-93 | Штифт | 2,0х22 | В наличии | |
| ОСТ 3-2234-93 | Штифт | 2,0х25 | В наличии | |
| ОСТ 3-2234-93 | Штифт | 2,0х30 | В наличии | |
| ОСТ 3-2234-93 | Штифт | 2,0х36 | В наличии | |
| ОСТ 3-2234-93 | Штифт | 2,0х40 | В наличии | |
| ОСТ 3-2234-93 | Штифт | 2,5х5 | В наличии | |
| ОСТ 3-2234-93 | Штифт | 2,5х6 | В наличии | |
| ОСТ 3-2234-93 | Штифт | 2,5х8 | В наличии | |
| ОСТ 3-2234-93 | Штифт | 2,5х10 | В наличии | |
| ОСТ 3-2234-93 | Штифт | 2,5х12 | В наличии | |
| ОСТ 3-2234-93 | Штифт | 2,5х14 | В наличии | |
| ОСТ 3-2234-93 | Штифт | 2,5х16 | В наличии | |
| ОСТ 3-2234-93 | Штифт | 2,5х18 | В наличии | |
| ОСТ 3-2234-93 | Штифт | 2,5х20 | В наличии | |
| ОСТ 3-2234-93 | Штифт | 2,5х25 | В наличии | |
| ОСТ 3-2234-93 | Штифт | 2,5х30 | В наличии | |
| ОСТ 3-2234-93 | Штифт | 2,5х36 | В наличии | |
| ОСТ 3-2234-93 | Штифт | 2,5х40 | В наличии | |
| ОСТ 3-2234-93 | Штифт | 2,5х45 | В наличии | |
| ОСТ 3-2234-93 | Штифт | 2,5х50 | В наличии | |
| ОСТ 3-2234-93 | Штифт | 3,0х6 | В наличии | |
| ОСТ 3-2234-93 | Штифт | 3,0х8 | В наличии | |
| ОСТ 3-2234-93 | Штифт | 3,0х10 | В наличии | |
| ОСТ 3-2234-93 | Штифт | 3,0х12 | В наличии | |
| ОСТ 3-2234-93 | Штифт | 3,0х14 | В наличии | |
| ОСТ 3-2234-93 | Штифт | 3,0х16 | В наличии | |
| ОСТ 3-2234-93 | Штифт | 3,0х18 | В наличии | |
| ОСТ 3-2234-93 | Штифт | 3,0х20 | В наличии | |
| ОСТ 3-2234-93 | Штифт | 3,0х22 | В наличии | |
| ОСТ 3-2234-93 | Штифт | 3,0х25 | В наличии | |
| ОСТ 3-2234-93 | Штифт | 3,0х30 | В наличии | |
| ОСТ 3-2234-93 | Штифт | 3,0х32 | В наличии | |
| ОСТ 3-2234-93 | Штифт | 3,0х36 | В наличии | |
| ОСТ 3-2234-93 | Штифт | 3,0х40 | В наличии | |
| ОСТ 3-2234-93 | Штифт | 3,0х45 | В наличии | |
| ОСТ 3-2234-93 | Штифт | 3,0х50 | В наличии | |
| ОСТ 3-2234-93 | Штифт | 3,0х55 | В наличии | |
| ОСТ 3-2234-93 | Штифт | 3,0х60 | В наличии | |
| ОСТ 3-2234-93 | Штифт | 4х8 | В наличии | |
| ОСТ 3-2234-93 | Штифт | 4х10 | В наличии | |
| ОСТ 3-2234-93 | Штифт | 4х12 | В наличии | |
| ОСТ 3-2234-93 | Штифт | 4х14 | В наличии | |
| ОСТ 3-2234-93 | Штифт | 4х16 | В наличии | |
| ОСТ 3-2234-93 | Штифт | 4х18 | В наличии | |
| ОСТ 3-2234-93 | Штифт | 4х20 | В наличии | |
| ОСТ 3-2234-93 | Штифт | 4х22 | В наличии | |
| ОСТ 3-2234-93 | Штифт | 4х25 | В наличии | |
| ОСТ 3-2234-93 | Штифт | 4х28 | В наличии | |
| ОСТ 3-2234-93 | Штифт | 4х30 | В наличии | |
| ОСТ 3-2234-93 | Штифт | 4х36 | В наличии | |
| ОСТ 3-2234-93 | Штифт | 4х40 | В наличии | |
| ОСТ 3-2234-93 | Штифт | 4х45 | В наличии | |
| ОСТ 3-2234-93 | Штифт | 4х50 | В наличии | |
| ОСТ 3-2234-93 | Штифт | 4х55 | В наличии | |
| ОСТ 3-2234-93 | Штифт | 4х60 | В наличии | |
| ОСТ 3-2234-93 | Штифт | 4х70 | В наличии | |
| ОСТ 3-2234-93 | Штифт | 4х80 | В наличии | |
| ОСТ 3-2234-93 | Штифт | 5х10 | В наличии | |
| ОСТ 3-2234-93 | Штифт | 5х12 | В наличии | |
| ОСТ 3-2234-93 | Штифт | 5х14 | В наличии | |
| ОСТ 3-2234-93 | Штифт | 5х16 | В наличии | |
| ОСТ 3-2234-93 | Штифт | 5х18 | В наличии | |
| ОСТ 3-2234-93 | Штифт | 5х20 | В наличии | |
| ОСТ 3-2234-93 | Штифт | 5х22 | В наличии | |
| ОСТ 3-2234-93 | Штифт | 5х25 | В наличии | |
| ОСТ 3-2234-93 | Штифт | 5х28 | В наличии | |
| ОСТ 3-2234-93 | Штифт | 5х30 | В наличии | |
| ОСТ 3-2234-93 | Штифт | 5х32 | В наличии | |
| ОСТ 3-2234-93 | Штифт | 5х36 | В наличии | |
| ОСТ 3-2234-93 | Штифт | 5х40 | В наличии | |
| ОСТ 3-2234-93 | Штифт | 5х45 | В наличии | |
| ОСТ 3-2234-93 | Штифт | 5х50 | В наличии | |
| ОСТ 3-2234-93 | Штифт | 5х55 | В наличии | |
| ОСТ 3-2234-93 | Штифт | 5х60 | В наличии | |
| ОСТ 3-2234-93 | Штифт | 5х70 | В наличии | |
| ОСТ 3-2234-93 | Штифт | 5х80 | В наличии | |
| ОСТ 3-2234-93 | Штифт | 5х90 | В наличии | |
| ОСТ 3-2234-93 | Штифт | 5х100 | В наличии | |
| ОСТ 3-2234-93 | Штифт | 6х12 | В наличии | |
| ОСТ 3-2234-93 | Штифт | 6х14 | В наличии | |
| ОСТ 3-2234-93 | Штифт | 6х16 | В наличии | |
| ОСТ 3-2234-93 | Штифт | 6х18 | В наличии | |
| ОСТ 3-2234-93 | Штифт | 6х20 | В наличии | |
| ОСТ 3-2234-93 | Штифт | 6х22 | В наличии | |
| ОСТ 3-2234-93 | Штифт | 6х25 | В наличии | |
| ОСТ 3-2234-93 | Штифт | 6х28 | В наличии | |
| ОСТ 3-2234-93 | Штифт | 6х30 | В наличии | |
| ОСТ 3-2234-93 | Штифт | 6х32 | В наличии | |
| ОСТ 3-2234-93 | Штифт | 6х36 | В наличии | |
| ОСТ 3-2234-93 | Штифт | 6х40 | В наличии | |
| ОСТ 3-2234-93 | Штифт | 6х45 | В наличии | |
| ОСТ 3-2234-93 | Штифт | 6х50 | В наличии | |
| ОСТ 3-2234-93 | Штифт | 6х55 | В наличии | |
| ОСТ 3-2234-93 | Штифт | 6х60 | В наличии | |
| ОСТ 3-2234-93 | Штифт | 6х70 | В наличии | |
| ОСТ 3-2234-93 | Штифт | 6х80 | В наличии | |
| ОСТ 3-2234-93 | Штифт | 6х90 | В наличии | |
| ОСТ 3-2234-93 | Штифт | 6х100 | В наличии | |
| ОСТ 3-2234-93 | Штифт | 8х16 | В наличии | |
| ОСТ 3-2234-93 | Штифт | 8х18 | В наличии | |
| ОСТ 3-2234-93 | Штифт | 8х20 | В наличии | |
| ОСТ 3-2234-93 | Штифт | 8х22 | В наличии | |
| ОСТ 3-2234-93 | Штифт | 8х25 | В наличии | |
| ОСТ 3-2234-93 | Штифт | 8х28 | В наличии | |
| ОСТ 3-2234-93 | Штифт | 8х30 | В наличии | |
| ОСТ 3-2234-93 | Штифт | 8х32 | В наличии | |
| ОСТ 3-2234-93 | Штифт | 8х36 | В наличии | |
| ОСТ 3-2234-93 | Штифт | 8х40 | В наличии | |
| ОСТ 3-2234-93 | Штифт | 8х45 | В наличии | |
| ОСТ 3-2234-93 | Штифт | 8х50 | В наличии | |
| ОСТ 3-2234-93 | Штифт | 8х55 | В наличии | |
| ОСТ 3-2234-93 | Штифт | 8х60 | В наличии | |
| ОСТ 3-2234-93 | Штифт | 8х70 | В наличии | |
| ОСТ 3-2234-93 | Штифт | 8х80 | В наличии | |
| ОСТ 3-2234-93 | Штифт | 8х90 | В наличии | |
| ОСТ 3-2234-93 | Штифт | 8х100 | В наличии | |
| ОСТ 3-2234-93 | Штифт | 10х20 | В наличии | |
| ОСТ 3-2234-93 | Штифт | 10х22 | В наличии | |
| ОСТ 3-2234-93 | Штифт | 10х25 | В наличии | |
| ОСТ 3-2234-93 | Штифт | 10х30 | В наличии | |
| ОСТ 3-2234-93 | Штифт | 10х32 | В наличии | |
| ОСТ 3-2234-93 | Штифт | 10х36 | В наличии | |
| ОСТ 3-2234-93 | Штифт | 10х40 | В наличии | |
| ОСТ 3-2234-93 | Штифт | 10х45 | В наличии | |
| ОСТ 3-2234-93 | Штифт | 10х50 | В наличии | |
| ОСТ 3-2234-93 | Штифт | 10х55 | В наличии | |
| ОСТ 3-2234-93 | Штифт | 10х60 | В наличии | |
| ОСТ 3-2234-93 | Штифт | 10х65 | В наличии | |
| ОСТ 3-2234-93 | Штифт | 10х70 | В наличии | |
| ОСТ 3-2234-93 | Штифт | 10х80 | В наличии | |
| ОСТ 3-2234-93 | Штифт | 10х90 | В наличии | |
| ОСТ 3-2234-93 | Штифт | 10х100 | В наличии | |
| ОСТ 3-2234-93 | Штифт | 10х110 | В наличии | |
| ОСТ 3-2234-93 | Штифт | 10х120 | В наличии | |
| ОСТ 3-2234-93 | Штифт | 10х125 | В наличии | |
| ОСТ 3-2234-93 | Штифт | 12х28 | В наличии | |
| ОСТ 3-2234-93 | Штифт | 12х30 | В наличии | |
| ОСТ 3-2234-93 | Штифт | 12х36 | В наличии | |
| ОСТ 3-2234-93 | Штифт | 12х40 | В наличии | |
| ОСТ 3-2234-93 | Штифт | 12х45 | В наличии | |
| ОСТ 3-2234-93 | Штифт | 12х50 | В наличии | |
| ОСТ 3-2234-93 | Штифт | 12х55 | В наличии | |
| ОСТ 3-2234-93 | Штифт | 12х60 | В наличии | |
| ОСТ 3-2234-93 | Штифт | 12х65 | В наличии | |
| ОСТ 3-2234-93 | Штифт | 12х70 | В наличии | |
| ОСТ 3-2234-93 | Штифт | 12х80 | В наличии | |
| ОСТ 3-2234-93 | Штифт | 12х90 | В наличии | |
| ОСТ 3-2234-93 | Штифт | 12х100 | В наличии | |
| ОСТ 3-2234-93 | Штифт | 12х110 | В наличии | |
| ОСТ 3-2234-93 | Штифт | 12х120 | В наличии | |
| ОСТ 3-2234-93 | Штифт | 12х140 | В наличии | |
| ОСТ 3-2234-93 | Штифт | 16х30 | В наличии | |
| ОСТ 3-2234-93 | Штифт | 16х36 | В наличии | |
| ОСТ 3-2234-93 | Штифт | 16х40 | В наличии | |
| ОСТ 3-2234-93 | Штифт | 16х45 | В наличии | |
| ОСТ 3-2234-93 | Штифт | 16х50 | В наличии | |
| ОСТ 3-2234-93 | Штифт | 16х55 | В наличии | |
| ОСТ 3-2234-93 | Штифт | 16х60 | В наличии | |
| ОСТ 3-2234-93 | Штифт | 16х65 | В наличии | |
| ОСТ 3-2234-93 | Штифт | 16х70 | В наличии | |
| ОСТ 3-2234-93 | Штифт | 16х80 | В наличии | |
| ОСТ 3-2234-93 | Штифт | 16х90 | В наличии | |
| ОСТ 3-2234-93 | Штифт | 16х100 | В наличии | |
| ОСТ 3-2234-93 | Штифт | 16х110 | В наличии | |
| ОСТ 3-2234-93 | Штифт | 16х120 | В наличии | |
| ОСТ 3-2234-93 | Штифт | 16х140 | В наличии | |
| ОСТ 3-2234-93 | Штифт | 20х40 | В наличии | |
| ОСТ 3-2234-93 | Штифт | 20х45 | В наличии | |
| ОСТ 3-2234-93 | Штифт | 20х50 | В наличии | |
| ОСТ 3-2234-93 | Штифт | 20х55 | В наличии | |
| ОСТ 3-2234-93 | Штифт | 20х60 | В наличии | |
| ОСТ 3-2234-93 | Штифт | 20х65 | В наличии | |
| ОСТ 3-2234-93 | Штифт | 20х70 | В наличии | |
| ОСТ 3-2234-93 | Штифт | 20х80 | В наличии | |
| ОСТ 3-2234-93 | Штифт | 20х90 | В наличии | |
| ОСТ 3-2234-93 | Штифт | 20х100 | В наличии | |
| ОСТ 3-2234-93 | Штифт | 20х110 | В наличии | |
| ОСТ 3-2234-93 | Штифт | 20х120 | В наличии | |
| ОСТ 3-2234-93 | Штифт | 20х140 | В наличии |
Для изготовителей и поставщиков: Добавить мои товары в базу
Для покупателей: Подать заявку на покупку
| Наименование | Типоразмер | Материал | Количество, шт | Вес, кг |
| Штифт ОСТ 3-2234-93 |
ОСТ 1 30055-84 Накатка кольцевая стержней болт-заклепок из титанового сплава
ОСТ 1 31076-80 Маркировка крепежных изделий взамен НОРМАЛЬ 176АТ
ОСТ 1 31076-80: Маркировка крепежных изделий (взамен НОРМАЛЬ 176АТ)
ОСТ 1 39502-77 Стопорение болтов, винтов, шпилек, штифтов и гаек
ОСТ 1 39503-77 Длины болтов и винтов
ОСТ 1 39504-79 Головки шестигранные болтов и винтов
ОСТ 1 51730-79 Оснастка для формообразования концов труб тяг управления из сплава Д16Т
ОСТ 1 51731-79 Оснастка для формообразования концов труб тяг управления из сплава Д16Т
ОСТ 1.41001-79 Диаметры отверстий под нарезание резьбы метрической по нормали 754АТ
ОСТ 1.41002-79 Диаметры стержней под нарезание резьбы метрической по нормали 754АТ и ОСТ 1.00039-73
ОСТ 92-0762-72 Болты, винты из титановых сплавов
ОСТ 92-1130-85 Детали стальные точные
ОСТ 92-1179-77 Детали и сборочные единицы из сталей марок 07Х16Н6 и 08Х17Н5М3
ОСТ 92-8653-75 по ОСТ 92-8674-75 Соединения трубопроводов по внутреннему конусу
ОСТ-1-33102-80 Взамен нормали 102АТУ Гайки ОСТ-1-33102-80
Отраслевая нормаль 214АТ В замен нормали 214МТ55 метрическая резьбой со свободной посадкой
Отраслевая нормаль 714М55 pdf Кольца плоские ,стопорные технические условия
Отраслевая нормаль авиационной техники 101АТУ Взамен 201СТУ51
2026 «Быстрометиз». Мы не интернет-магазин. Информация о наличии и стоимости продукции не является публичной офертой.
Задайте вопрос нашим специалистам