Нормаль 5834А Наконечники узкие

нОрмаль 5834А НАКОНЕЧНИКИ УЗКИЕ

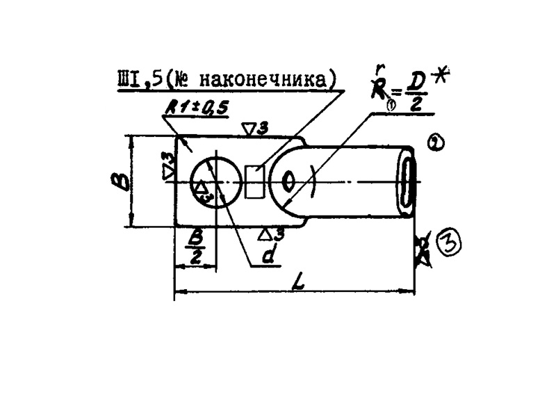
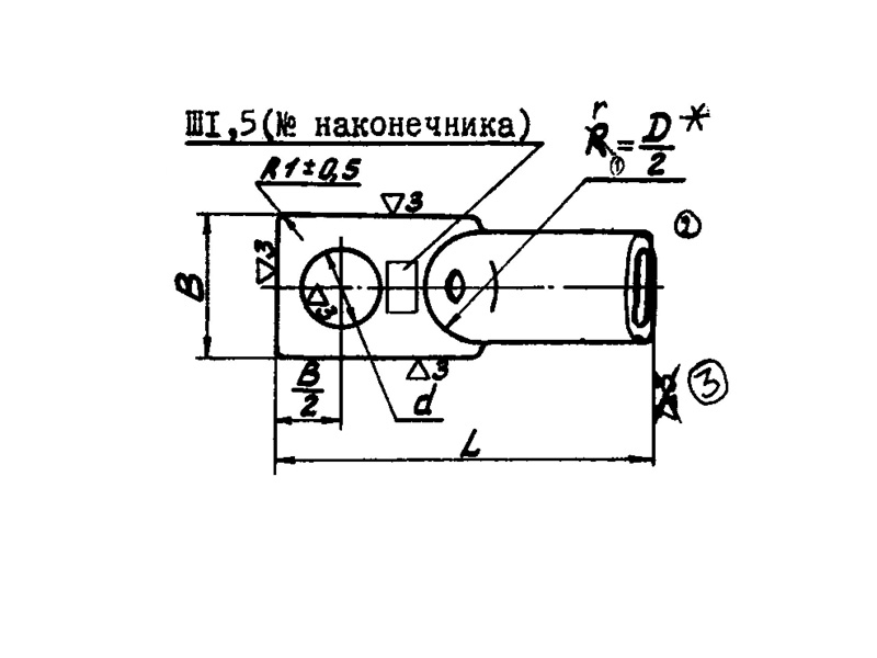
     Наконечники узкие по нормали 5834А – это универсальный соединитель, так как закрепляется на электропроводе специальными клещами.

КОНСТРУКЦИЯ И ТЕХНИЧЕСКИЕ ОСОБЕННОСТИ

     Конструкция наконечника состоит из металлической пластины с отверстием.

     Материал изготовления: труба медная М3М.

     Материал покрытия: О3-6опл; Ср9.

5834А.pdf

Пример обозначения наконечника № 17 исполнения 1 луженого:

5834А-17-1

Наконечник
Наименование метиза
17
Типоразмер
1
Исполнение
Нормаль 5834А
Нормативно-технический документ

То же, серебреного:

5834А-17-1-Ср

Наконечник
Наименование метиза
17
Типоразмер
1
Исполнение
Ср
Материал покрытия
Нормаль 5834А
Нормативно-технический документ

ПРИМЕНЕНИЕ

     Данные наконечники применяются во многих отраслях промышленности.

АНАЛОГИ

ОСТ/ГОСТНормальНаименованиеТипоразмерНа складе
5834АНаконечник1В наличии
5834АНаконечник2В наличии
5834АНаконечник3В наличии
5834АНаконечник4В наличии
5834АНаконечник5В наличии
5834АНаконечник6В наличии
5834АНаконечник7В наличии
5834АНаконечник8В наличии
5834АНаконечник9В наличии
5834АНаконечник10В наличии
5834АНаконечник11В наличии
5834АНаконечник12В наличии
5834АНаконечник13В наличии
5834АНаконечник14В наличии
5834АНаконечник15В наличии
5834АНаконечник16В наличии
5834АНаконечник17В наличии
5834АНаконечник18В наличии
5834АНаконечник19В наличии
5834АНаконечник20В наличии
5834АНаконечник21В наличии
5834АНаконечник22В наличии

Для изготовителей и поставщиков: Добавить мои товары в базу

Для покупателей: Подать заявку на покупку

НаименованиеТипоразмерМатериалКоличество, штВес, кг
Наконечник 5834А
О

ОСТ 1 30055-84 Накатка кольцевая стержней болт-заклепок из титанового сплава

ОСТ 1 31076-80 Маркировка крепежных изделий взамен НОРМАЛЬ 176АТ

ОСТ 1 31076-80: Маркировка крепежных изделий (взамен НОРМАЛЬ 176АТ)

ОСТ 1 38016-80 Футорки

ОСТ 1 38020-82 Втулки

ОСТ 1 39502-77 Стопорение болтов, винтов, шпилек, штифтов и гаек

ОСТ 1 39503-77 Длины болтов и винтов

ОСТ 1 39504-79 Головки шестигранные болтов и винтов

ОСТ 1 41471-79 Формообразование концов труб тяг управления из сплава Д16Т. Типовой технологический процесс

ОСТ 1 51730-79 Оснастка для формообразования концов труб тяг управления из сплава Д16Т

ОСТ 1 51731-79 Оснастка для формообразования концов труб тяг управления из сплава Д16Т

ОСТ 1.41001-79 Диаметры отверстий под нарезание резьбы метрической по нормали 754АТ

ОСТ 1.41002-79 Диаметры стержней под нарезание резьбы метрической по нормали 754АТ и ОСТ 1.00039-73

ОСТ 92-0762-72 Болты, винты из титановых сплавов

ОСТ 92-0912-69 Детали из высокопрочных углеродистых легированных и высоколегированных сталей. ОСТ 92-0912-69

ОСТ 92-1179-77 Детали и сборочные единицы из сталей марок 07Х16Н6 и 08Х17Н5М3

ОСТ 92-8653-75 по ОСТ 92-8674-75 Соединения трубопроводов по внутреннему конусу

ОСТ-1-33102-80 Взамен нормали 102АТУ Гайки ОСТ-1-33102-80

Отраслевая нормаль 214АТ В замен нормали 214МТ55 метрическая резьбой со свободной посадкой

Отраслевая нормаль 714М55 pdf Кольца плоские ,стопорные технические условия

Отраслевая нормаль авиационной техники 101АТУ Взамен 201СТУ51

Отраслевая нормаль авиационной техники. Нормаль 722АТ.

Р

РЕЗЬБА МЕТРИЧЕСКАЯ

Резьба метрическая усиленная тугой посадкой сталь в алюминиевые и магниевые сплавы. Нормаль 254АТ взамен нормальный 154МТ46

Резьба метрическая. Основные размеры и допуски. Отраслевая нормаль 257АТ взамен 57АТ50 взамен 153МТ54.

РЕЗЬБА ТРАПЕЦЕИДАЛЬНАЯ

РЕЗЬБА ТРУБНАЯ ЦИЛИНДРИЧЕСКАЯ

РЕЗЬБА УПОРНАЯ

Резьба усиленная метрическая тугой посадкой сталь сталь система вала настоящая норма распространяется на резьбу усиленную метрическую тугой посадкой для сопрягаемых материалов сталь в сталь. Нормаль 122МТ53 взамен нормали 122МТ51

Резьба усиленная метрическая тугой посадкой сталь сталь система вала настоящая норма распространяется на резьбу усиленную метрическую тугой посадкой для сопрягаемых материалов сталь в сталь. Нормаль 122МТ53 взамен нормали 122МТ51

Резьбовые соединения. Резьба метрическая с натягом по посадкам 2Н5Д и 2Н5С Отраслевой стандарт ОСТ 1 04065–92

Оформите заказ или получите консультацию