ОСТ 1 11217-73 Кольца металлические

ОСТ 1 11217-73 кольца металлические

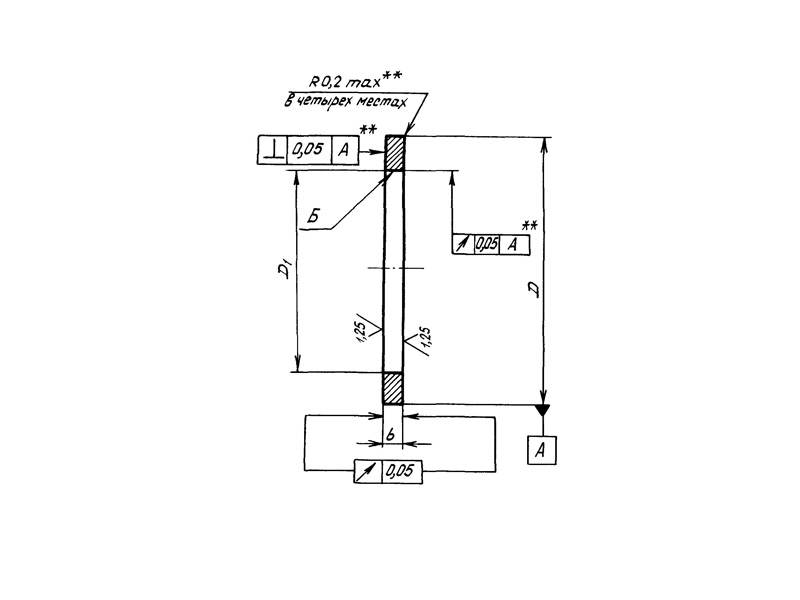
     Кольца металлические по ОСТ 1 11217-73 – это специальный крепеж, предназначенный для изготовления армированных уплотнительных колец.

КОНСТРУКЦИЯ И ТЕХНИЧЕСКИЕ ОСОБЕННОСТИ

     Конструкция состоит из кольца.

     Материал изготовления: сталь 12Х18Н10Т.

     Материал покрытия: Хим.Пас.

ОСТ 1 11217-73.pdf

Пример наименования и обозначения металлического кольца для диаметра уплотняемой резьбы М10:

Кольцо металлическое 10-ОСТ 1 11217-73

Кольцо металлическое
Наименование метиза
10
Диаметр
ОСТ 1 11217-73
Нормативно-технический документ

ПРИМЕНЕНИЕ

     Данные кольца применяются во многих отраслях промышленности.

АНАЛОГИ

ОСТ/ГОСТНормальНаименованиеТипоразмерНа складе
ОСТ 1 11217-73Кольцо металлическое6В наличии
ОСТ 1 11217-73Кольцо металлическое8В наличии
ОСТ 1 11217-73Кольцо металлическое10В наличии
ОСТ 1 11217-73Кольцо металлическое12В наличии
ОСТ 1 11217-73Кольцо металлическое14В наличии
ОСТ 1 11217-73Кольцо металлическое16В наличии
ОСТ 1 11217-73Кольцо металлическое18В наличии
ОСТ 1 11217-73Кольцо металлическое20В наличии
ОСТ 1 11217-73Кольцо металлическое22В наличии
ОСТ 1 11217-73Кольцо металлическое24В наличии
ОСТ 1 11217-73Кольцо металлическое27В наличии
ОСТ 1 11217-73Кольцо металлическое30В наличии
ОСТ 1 11217-73Кольцо металлическое33В наличии
ОСТ 1 11217-73Кольцо металлическое36В наличии
ОСТ 1 11217-73Кольцо металлическое39В наличии
ОСТ 1 11217-73Кольцо металлическое42В наличии
ОСТ 1 11217-73Кольцо металлическое45В наличии
ОСТ 1 11217-73Кольцо металлическое48В наличии
ОСТ 1 11217-73Кольцо металлическое52В наличии
ОСТ 1 11217-73Кольцо металлическое56В наличии
ОСТ 1 11217-73Кольцо металлическое60В наличии
ОСТ 1 11217-73Кольцо металлическое64В наличии
ОСТ 1 11217-73Кольцо металлическое68В наличии
ОСТ 1 11217-73Кольцо металлическое72В наличии
ОСТ 1 11217-73Кольцо металлическое76В наличии
ОСТ 1 11217-73Кольцо металлическое80В наличии
ОСТ 1 11217-73Кольцо металлическое85В наличии
ОСТ 1 11217-73Кольцо металлическое90В наличии
ОСТ 1 11217-73Кольцо металлическое95В наличии
ОСТ 1 11217-73Кольцо металлическое100В наличии
ОСТ 1 11217-73Кольцо металлическое105В наличии
ОСТ 1 11217-73Кольцо металлическое110В наличии
ОСТ 1 11217-73Кольцо металлическое115В наличии
ОСТ 1 11217-73Кольцо металлическое120В наличии

Для изготовителей и поставщиков: Добавить мои товары в базу

Для покупателей: Подать заявку на покупку

НаименованиеТипоразмерМатериалКоличество, штВес, кг
Кольцо металлическое ОСТ 1 11217-73
О

ОСТ 1 30055-84 Накатка кольцевая стержней болт-заклепок из титанового сплава

ОСТ 1 31076-80 Маркировка крепежных изделий взамен НОРМАЛЬ 176АТ

ОСТ 1 31076-80: Маркировка крепежных изделий (взамен НОРМАЛЬ 176АТ)

ОСТ 1 38016-80 Футорки

ОСТ 1 38020-82 Втулки

ОСТ 1 39502-77 Стопорение болтов, винтов, шпилек, штифтов и гаек

ОСТ 1 39503-77 Длины болтов и винтов

ОСТ 1 39504-79 Головки шестигранные болтов и винтов

ОСТ 1 41471-79 Формообразование концов труб тяг управления из сплава Д16Т. Типовой технологический процесс

ОСТ 1 51730-79 Оснастка для формообразования концов труб тяг управления из сплава Д16Т

ОСТ 1 51731-79 Оснастка для формообразования концов труб тяг управления из сплава Д16Т

ОСТ 1.41001-79 Диаметры отверстий под нарезание резьбы метрической по нормали 754АТ

ОСТ 1.41002-79 Диаметры стержней под нарезание резьбы метрической по нормали 754АТ и ОСТ 1.00039-73

ОСТ 92-0762-72 Болты, винты из титановых сплавов

ОСТ 92-0912-69 Детали из высокопрочных углеродистых легированных и высоколегированных сталей. ОСТ 92-0912-69

ОСТ 92-1179-77 Детали и сборочные единицы из сталей марок 07Х16Н6 и 08Х17Н5М3

ОСТ 92-8653-75 по ОСТ 92-8674-75 Соединения трубопроводов по внутреннему конусу

ОСТ-1-33102-80 Взамен нормали 102АТУ Гайки ОСТ-1-33102-80

Отраслевая нормаль 214АТ В замен нормали 214МТ55 метрическая резьбой со свободной посадкой

Отраслевая нормаль 714М55 pdf Кольца плоские ,стопорные технические условия

Отраслевая нормаль авиационной техники 101АТУ Взамен 201СТУ51

Отраслевая нормаль авиационной техники. Нормаль 722АТ.

Р

РЕЗЬБА МЕТРИЧЕСКАЯ

Резьба метрическая усиленная тугой посадкой сталь в алюминиевые и магниевые сплавы. Нормаль 254АТ взамен нормальный 154МТ46

Резьба метрическая. Основные размеры и допуски. Отраслевая нормаль 257АТ взамен 57АТ50 взамен 153МТ54.

РЕЗЬБА ТРАПЕЦЕИДАЛЬНАЯ

РЕЗЬБА ТРУБНАЯ ЦИЛИНДРИЧЕСКАЯ

РЕЗЬБА УПОРНАЯ

Резьба усиленная метрическая тугой посадкой сталь сталь система вала настоящая норма распространяется на резьбу усиленную метрическую тугой посадкой для сопрягаемых материалов сталь в сталь. Нормаль 122МТ53 взамен нормали 122МТ51

Резьба усиленная метрическая тугой посадкой сталь сталь система вала настоящая норма распространяется на резьбу усиленную метрическую тугой посадкой для сопрягаемых материалов сталь в сталь. Нормаль 122МТ53 взамен нормали 122МТ51

Резьбовые соединения. Резьба метрическая с натягом по посадкам 2Н5Д и 2Н5С Отраслевой стандарт ОСТ 1 04065–92

Оформите заказ или получите консультацию