ОСТ 1 34054-85 Заклепки с плоско-скругленной головкой для автоматической клепки

ОСТ 1 34054-85 ЗАКЛЕПКИ С ПЛОСКО-СКРУГЛЕННОЙ ГОЛОВКОЙ ДЛЯ АВТОМАТИЧЕСКОЙ КЛЕПКИ

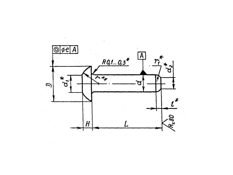
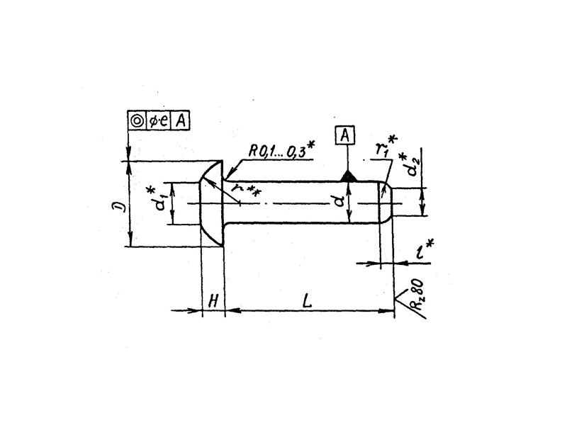
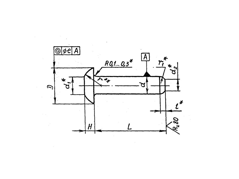
     Заклепки по ОСТ 1 34054-85 – это специальный крепеж, предназначенный для сборки конструкций на сверлильно-клепальных автоматах.

КОНСТРУКЦИЯ И ТЕХНИЧЕСКИЕ ОСОБЕННОСТИ

     Конструкция заклепки состоит из стержня и плоско-скругленной головки.

     Материал изготовления: алюминиевый сплав В65.

     Материал покрытия: Ан.Окс.нхр.

ОСТ 1 34054-85.pdf

Пример наименования и обозначения заклепки с плоско-скругленной головкой для автоматической клепки диаметром d=6мм и L=24,5 мм, анодированной:

Заклепка 6-24,5-Ан.Окс-ОСТ 1 34054-85

Заклепка
Наименование метиза
6
Диаметр
24,5
Длина
Ан.Окс
Материал покрытия
ОСТ 1 34054-85
Нормативно-технический документ

ПРИМЕНЕНИЕ

     Данные заклепки применяются во многих отраслях промышленности.

АНАЛОГИ

ОСТ/ГОСТНормальНаименованиеТипоразмерНа складе
ОСТ 1 34054-85Заклепка3х6,5В наличии
ОСТ 1 34054-85Заклепка3х8,0В наличии
ОСТ 1 34054-85Заклепка3х9,5В наличии
ОСТ 1 34054-85Заклепка3х11,0В наличии
ОСТ 1 34054-85Заклепка3х12,5В наличии
ОСТ 1 34054-85Заклепка3,5х6,5В наличии
ОСТ 1 34054-85Заклепка3,5х8,0В наличии
ОСТ 1 34054-85Заклепка3,5х9,5В наличии
ОСТ 1 34054-85Заклепка3,5х11,0В наличии
ОСТ 1 34054-85Заклепка3,5х12,5В наличии
ОСТ 1 34054-85Заклепка3,5х14,0В наличии
ОСТ 1 34054-85Заклепка4х8,0В наличии
ОСТ 1 34054-85Заклепка4х9,5В наличии
ОСТ 1 34054-85Заклепка4х11,0В наличии
ОСТ 1 34054-85Заклепка4х12,5В наличии
ОСТ 1 34054-85Заклепка4х14,0В наличии
ОСТ 1 34054-85Заклепка4х15,5В наличии
ОСТ 1 34054-85Заклепка5х9,5В наличии
ОСТ 1 34054-85Заклепка5х11,0В наличии
ОСТ 1 34054-85Заклепка5х12,5В наличии
ОСТ 1 34054-85Заклепка5х14,0В наличии
ОСТ 1 34054-85Заклепка5х15,5В наличии
ОСТ 1 34054-85Заклепка5х17,0В наличии
ОСТ 1 34054-85Заклепка5х18,5В наличии
ОСТ 1 34054-85Заклепка5х20,0В наличии
ОСТ 1 34054-85Заклепка6х11,0В наличии
ОСТ 1 34054-85Заклепка6х12,5В наличии
ОСТ 1 34054-85Заклепка6х14,0В наличии
ОСТ 1 34054-85Заклепка6х15,5В наличии
ОСТ 1 34054-85Заклепка6х17,0В наличии
ОСТ 1 34054-85Заклепка6х18,5В наличии
ОСТ 1 34054-85Заклепка6х20,0В наличии
ОСТ 1 34054-85Заклепка6х21,5В наличии
ОСТ 1 34054-85Заклепка6х23,0В наличии
ОСТ 1 34054-85Заклепка6х24,5В наличии

Для изготовителей и поставщиков: Добавить мои товары в базу

Для покупателей: Подать заявку на покупку

НаименованиеТипоразмерМатериалКоличество, штВес, кг
Заклепка ОСТ 1 34054-85
О

ОСТ 1 30055-84 Накатка кольцевая стержней болт-заклепок из титанового сплава

ОСТ 1 31076-80 Маркировка крепежных изделий взамен НОРМАЛЬ 176АТ

ОСТ 1 31076-80: Маркировка крепежных изделий (взамен НОРМАЛЬ 176АТ)

ОСТ 1 38016-80 Футорки

ОСТ 1 38020-82 Втулки

ОСТ 1 39502-77 Стопорение болтов, винтов, шпилек, штифтов и гаек

ОСТ 1 39503-77 Длины болтов и винтов

ОСТ 1 39504-79 Головки шестигранные болтов и винтов

ОСТ 1 41471-79 Формообразование концов труб тяг управления из сплава Д16Т. Типовой технологический процесс

ОСТ 1 51730-79 Оснастка для формообразования концов труб тяг управления из сплава Д16Т

ОСТ 1 51731-79 Оснастка для формообразования концов труб тяг управления из сплава Д16Т

ОСТ 1.41001-79 Диаметры отверстий под нарезание резьбы метрической по нормали 754АТ

ОСТ 1.41002-79 Диаметры стержней под нарезание резьбы метрической по нормали 754АТ и ОСТ 1.00039-73

ОСТ 92-0762-72 Болты, винты из титановых сплавов

ОСТ 92-0912-69 Детали из высокопрочных углеродистых легированных и высоколегированных сталей. ОСТ 92-0912-69

ОСТ 92-1179-77 Детали и сборочные единицы из сталей марок 07Х16Н6 и 08Х17Н5М3

ОСТ 92-8653-75 по ОСТ 92-8674-75 Соединения трубопроводов по внутреннему конусу

ОСТ-1-33102-80 Взамен нормали 102АТУ Гайки ОСТ-1-33102-80

Отраслевая нормаль 214АТ В замен нормали 214МТ55 метрическая резьбой со свободной посадкой

Отраслевая нормаль 714М55 pdf Кольца плоские ,стопорные технические условия

Отраслевая нормаль авиационной техники 101АТУ Взамен 201СТУ51

Отраслевая нормаль авиационной техники. Нормаль 722АТ.

Р

РЕЗЬБА МЕТРИЧЕСКАЯ

Резьба метрическая усиленная тугой посадкой сталь в алюминиевые и магниевые сплавы. Нормаль 254АТ взамен нормальный 154МТ46

Резьба метрическая. Основные размеры и допуски. Отраслевая нормаль 257АТ взамен 57АТ50 взамен 153МТ54.

РЕЗЬБА ТРАПЕЦЕИДАЛЬНАЯ

РЕЗЬБА ТРУБНАЯ ЦИЛИНДРИЧЕСКАЯ

РЕЗЬБА УПОРНАЯ

Резьба усиленная метрическая тугой посадкой сталь сталь система вала настоящая норма распространяется на резьбу усиленную метрическую тугой посадкой для сопрягаемых материалов сталь в сталь. Нормаль 122МТ53 взамен нормали 122МТ51

Резьба усиленная метрическая тугой посадкой сталь сталь система вала настоящая норма распространяется на резьбу усиленную метрическую тугой посадкой для сопрягаемых материалов сталь в сталь. Нормаль 122МТ53 взамен нормали 122МТ51

Резьбовые соединения. Резьба метрическая с натягом по посадкам 2Н5Д и 2Н5С Отраслевой стандарт ОСТ 1 04065–92

Оформите заказ или получите консультацию