ОСТ 92-8535-74 прокладки металлические
Прокладки металлические по ОСТ 92-8535-74 – это специальный крепеж, они предназначены уплотнения устройств.
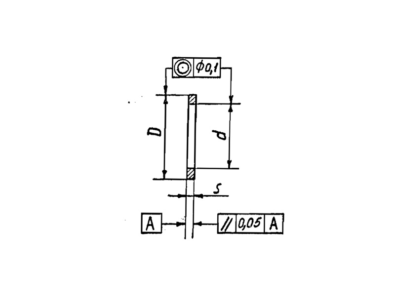
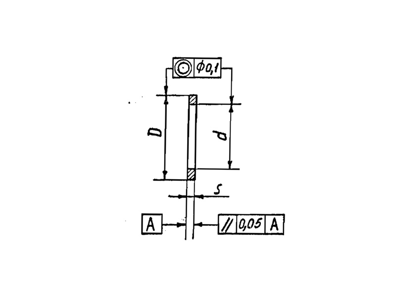
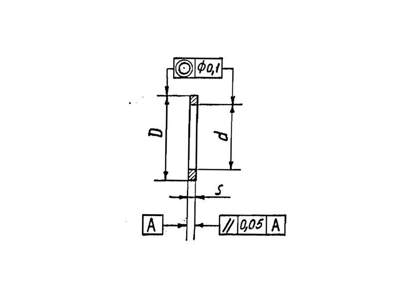
КОНСТРУКЦИЯ И ТЕХНИЧЕСКИЕ ОСОБЕННОСТИ
Конструкция состоит из металлической пластины.
Материал изготовления: алюминий, медь.
Материал покрытия: без покрытия.
Пример условного обозначения прокладки из алюминия с размерами d=16мм, D=20мм и S=2мм:
Прокладка 16х20х2 ОСТ 92-8535-74
То же, из меди:
Прокладка М 16х20х2 ОСТ 92-8535-74
ПРИМЕНЕНИЕ
Данные прокладки используются во многих отраслях промышленности.
АНАЛОГИ
| ОСТ/ГОСТ | Нормаль | Наименование | Типоразмер | На складе |
| ОСТ 92-8535-74 | Прокладка | А52330-482 | В наличии | |
| ОСТ 92-8535-74 | Прокладка | А52330-485 | В наличии | |
| ОСТ 92-8535-74 | Прокладка | А52330-245 | В наличии | |
| ОСТ 92-8535-74 | Прокладка | А52330-486 | В наличии | |
| ОСТ 92-8535-74 | Прокладка | А52330-487 | В наличии | |
| ОСТ 92-8535-74 | Прокладка | А52330-488 | В наличии | |
| ОСТ 92-8535-74 | Прокладка | А52330-489 | В наличии | |
| ОСТ 92-8535-74 | Прокладка | А52330-490 | В наличии | |
| ОСТ 92-8535-74 | Прокладка | А52330-491 | В наличии | |
| ОСТ 92-8535-74 | Прокладка | А52330-247 | В наличии | |
| ОСТ 92-8535-74 | Прокладка | А52330-492 | В наличии | |
| ОСТ 92-8535-74 | Прокладка | А52330-495 | В наличии | |
| ОСТ 92-8535-74 | Прокладка | А52330-496 | В наличии | |
| ОСТ 92-8535-74 | Прокладка | А52330-498 | В наличии | |
| ОСТ 92-8535-74 | Прокладка | А52330-249 | В наличии | |
| ОСТ 92-8535-74 | Прокладка | А52330-214 | В наличии | |
| ОСТ 92-8535-74 | Прокладка | А52330-500 | В наличии | |
| ОСТ 92-8535-74 | Прокладка | А52330-501 | В наличии | |
| ОСТ 92-8535-74 | Прокладка | А52330-902 | В наличии | |
| ОСТ 92-8535-74 | Прокладка | А52330-504 | В наличии | |
| ОСТ 92-8535-74 | Прокладка | А52330-506 | В наличии | |
| ОСТ 92-8535-74 | Прокладка | А52330-507 | В наличии | |
| ОСТ 92-8535-74 | Прокладка | А52330-509 | В наличии | |
| ОСТ 92-8535-74 | Прокладка | А52330-510 | В наличии | |
| ОСТ 92-8535-74 | Прокладка | А52330-215 | В наличии | |
| ОСТ 92-8535-74 | Прокладка | А52330-512 | В наличии | |
| ОСТ 92-8535-74 | Прокладка | А52330-513 | В наличии | |
| ОСТ 92-8535-74 | Прокладка | А52330-514 | В наличии | |
| ОСТ 92-8535-74 | Прокладка | А52330-251 | В наличии | |
| ОСТ 92-8535-74 | Прокладка | А52330-515 | В наличии | |
| ОСТ 92-8535-74 | Прокладка | А52330-517 | В наличии | |
| ОСТ 92-8535-74 | Прокладка | А52330-519 | В наличии | |
| ОСТ 92-8535-74 | Прокладка | А52330-521 | В наличии | |
| ОСТ 92-8535-74 | Прокладка | А52330-522 | В наличии | |
| ОСТ 92-8535-74 | Прокладка | А52330-216 | В наличии | |
| ОСТ 92-8535-74 | Прокладка | А52330-524 | В наличии | |
| ОСТ 92-8535-74 | Прокладка | А52330-525 | В наличии | |
| ОСТ 92-8535-74 | Прокладка | А52330-526 | В наличии | |
| ОСТ 92-8535-74 | Прокладка | А52330-527 | В наличии | |
| ОСТ 92-8535-74 | Прокладка | А52330-528 | В наличии | |
| ОСТ 92-8535-74 | Прокладка | А52330-217 | В наличии | |
| ОСТ 92-8535-74 | Прокладка | А52330-529 | В наличии | |
| ОСТ 92-8535-74 | Прокладка | А52330-530 | В наличии | |
| ОСТ 92-8535-74 | Прокладка | А52330-251-01 | В наличии | |
| ОСТ 92-8535-74 | Прокладка | А52330-533 | В наличии | |
| ОСТ 92-8535-74 | Прокладка | А52330-218 | В наличии | |
| ОСТ 92-8535-74 | Прокладка | А52330-536 | В наличии | |
| ОСТ 92-8535-74 | Прокладка | А52330-251-02 | В наличии | |
| ОСТ 92-8535-74 | Прокладка | А52330-538 | В наличии | |
| ОСТ 92-8535-74 | Прокладка | А52330-251-03 | В наличии | |
| ОСТ 92-8535-74 | Прокладка | А52330-251-04 | В наличии | |
| ОСТ 92-8535-74 | Прокладка | А52330-539 | В наличии | |
| ОСТ 92-8535-74 | Прокладка | А52330-540 | В наличии | |
| ОСТ 92-8535-74 | Прокладка | А52330-541 | В наличии | |
| ОСТ 92-8535-74 | Прокладка | А52330-544 | В наличии | |
| ОСТ 92-8535-74 | Прокладка | А52330-545 | В наличии | |
| ОСТ 92-8535-74 | Прокладка | А52330-219 | В наличии | |
| ОСТ 92-8535-74 | Прокладка | А52330-904 | В наличии | |
| ОСТ 92-8535-74 | Прокладка | А52330-547 | В наличии | |
| ОСТ 92-8535-74 | Прокладка | А52330-548 | В наличии | |
| ОСТ 92-8535-74 | Прокладка | А52330-550 | В наличии | |
| ОСТ 92-8535-74 | Прокладка | А52330-551 | В наличии | |
| ОСТ 92-8535-74 | Прокладка | А52330-552 | В наличии | |
| ОСТ 92-8535-74 | Прокладка | А52330-553 | В наличии | |
| ОСТ 92-8535-74 | Прокладка | А52330-220 | В наличии | |
| ОСТ 92-8535-74 | Прокладка | А52330-554 | В наличии | |
| ОСТ 92-8535-74 | Прокладка | А52330-556 | В наличии | |
| ОСТ 92-8535-74 | Прокладка | А52330-558 | В наличии | |
| ОСТ 92-8535-74 | Прокладка | А52330-559 | В наличии | |
| ОСТ 92-8535-74 | Прокладка | А52330-251-05 | В наличии | |
| ОСТ 92-8535-74 | Прокладка | А52330-560 | В наличии | |
| ОСТ 92-8535-74 | Прокладка | А52330-562 | В наличии | |
| ОСТ 92-8535-74 | Прокладка | А52330-563 | В наличии | |
| ОСТ 92-8535-74 | Прокладка | А52330-564 | В наличии | |
| ОСТ 92-8535-74 | Прокладка | А52330-221 | В наличии | |
| ОСТ 92-8535-74 | Прокладка | А52330-565 | В наличии | |
| ОСТ 92-8535-74 | Прокладка | А52330-566 | В наличии | |
| ОСТ 92-8535-74 | Прокладка | А52330-569 | В наличии | |
| ОСТ 92-8535-74 | Прокладка | А52330-568 | В наличии | |
| ОСТ 92-8535-74 | Прокладка | А52330-570 | В наличии | |
| ОСТ 92-8535-74 | Прокладка | А52330-572 | В наличии | |
| ОСТ 92-8535-74 | Прокладка | А52330-573 | В наличии | |
| ОСТ 92-8535-74 | Прокладка | А52330-574 | В наличии | |
| ОСТ 92-8535-74 | Прокладка | А52330-575 | В наличии | |
| ОСТ 92-8535-74 | Прокладка | А52330-577 | В наличии | |
| ОСТ 92-8535-74 | Прокладка | А52330-578 | В наличии | |
| ОСТ 92-8535-74 | Прокладка | А52330-223 | В наличии | |
| ОСТ 92-8535-74 | Прокладка | А52330-579 | В наличии | |
| ОСТ 92-8535-74 | Прокладка | А52330-580 | В наличии | |
| ОСТ 92-8535-74 | Прокладка | А52330-581 | В наличии | |
| ОСТ 92-8535-74 | Прокладка | А52330-582 | В наличии | |
| ОСТ 92-8535-74 | Прокладка | А52330-584 | В наличии | |
| ОСТ 92-8535-74 | Прокладка | А52330-585 | В наличии | |
| ОСТ 92-8535-74 | Прокладка | А52330-251-06 | В наличии | |
| ОСТ 92-8535-74 | Прокладка | А52330-586 | В наличии | |
| ОСТ 92-8535-74 | Прокладка | А52330-587 | В наличии | |
| ОСТ 92-8535-74 | Прокладка | А52330-588 | В наличии | |
| ОСТ 92-8535-74 | Прокладка | А52330-590 | В наличии | |
| ОСТ 92-8535-74 | Прокладка | А52330-592 | В наличии | |
| ОСТ 92-8535-74 | Прокладка | А52330-594 | В наличии | |
| ОСТ 92-8535-74 | Прокладка | А52330-595 | В наличии | |
| ОСТ 92-8535-74 | Прокладка | А52330-596 | В наличии | |
| ОСТ 92-8535-74 | Прокладка | А52330-597 | В наличии | |
| ОСТ 92-8535-74 | Прокладка | А52330-599 | В наличии | |
| ОСТ 92-8535-74 | Прокладка | А52330-264 | В наличии | |
| ОСТ 92-8535-74 | Прокладка | А52330-600 | В наличии | |
| ОСТ 92-8535-74 | Прокладка | А52330-601 | В наличии | |
| ОСТ 92-8535-74 | Прокладка | А52330-602 | В наличии | |
| ОСТ 92-8535-74 | Прокладка | А52330-603 | В наличии | |
| ОСТ 92-8535-74 | Прокладка | А52330-225 | В наличии | |
| ОСТ 92-8535-74 | Прокладка | А52330-606 | В наличии | |
| ОСТ 92-8535-74 | Прокладка | А52330-607 | В наличии | |
| ОСТ 92-8535-74 | Прокладка | А52330-608 | В наличии | |
| ОСТ 92-8535-74 | Прокладка | А52330-609 | В наличии | |
| ОСТ 92-8535-74 | Прокладка | А52330-610 | В наличии | |
| ОСТ 92-8535-74 | Прокладка | А52330-611 | В наличии | |
| ОСТ 92-8535-74 | Прокладка | А52330-612 | В наличии | |
| ОСТ 92-8535-74 | Прокладка | А52330-614 | В наличии | |
| ОСТ 92-8535-74 | Прокладка | А52330-615 | В наличии | |
| ОСТ 92-8535-74 | Прокладка | А52330-616 | В наличии | |
| ОСТ 92-8535-74 | Прокладка | А52330-268 | В наличии | |
| ОСТ 92-8535-74 | Прокладка | А52330-617 | В наличии | |
| ОСТ 92-8535-74 | Прокладка | А52330-618 | В наличии | |
| ОСТ 92-8535-74 | Прокладка | А52330-620 | В наличии | |
| ОСТ 92-8535-74 | Прокладка | А52330-621 | В наличии | |
| ОСТ 92-8535-74 | Прокладка | А52330-622 | В наличии | |
| ОСТ 92-8535-74 | Прокладка | А52330-624 | В наличии | |
| ОСТ 92-8535-74 | Прокладка | А52330-625 | В наличии | |
| ОСТ 92-8535-74 | Прокладка | А52330-626 | В наличии | |
| ОСТ 92-8535-74 | Прокладка | А52330-271 | В наличии | |
| ОСТ 92-8535-74 | Прокладка | А52330-629 | В наличии | |
| ОСТ 92-8535-74 | Прокладка | А52330-272 | В наличии | |
| ОСТ 92-8535-74 | Прокладка | А52330-622 | В наличии | |
| ОСТ 92-8535-74 | Прокладка | А52330-624 | В наличии | |
| ОСТ 92-8535-74 | Прокладка | А52330-625 | В наличии | |
| ОСТ 92-8535-74 | Прокладка | А52330-626 | В наличии | |
| ОСТ 92-8535-74 | Прокладка | А52330-271 | В наличии | |
| ОСТ 92-8535-74 | Прокладка | А52330-629 | В наличии | |
| ОСТ 92-8535-74 | Прокладка | А52330-272 | В наличии | |
| ОСТ 92-8535-74 | Прокладка | А52330-630 | В наличии | |
| ОСТ 92-8535-74 | Прокладка | А52330-631 | В наличии | |
| ОСТ 92-8535-74 | Прокладка | А52330-632 | В наличии | |
| ОСТ 92-8535-74 | Прокладка | А52330-633 | В наличии | |
| ОСТ 92-8535-74 | Прокладка | А52330-634 | В наличии | |
| ОСТ 92-8535-74 | Прокладка | А52330-635 | В наличии | |
| ОСТ 92-8535-74 | Прокладка | А52330-274 | В наличии | |
| ОСТ 92-8535-74 | Прокладка | А52330-638 | В наличии | |
| ОСТ 92-8535-74 | Прокладка | А52330-641 | В наличии | |
| ОСТ 92-8535-74 | Прокладка | А52330-642 | В наличии | |
| ОСТ 92-8535-74 | Прокладка | А52330-643 | В наличии | |
| ОСТ 92-8535-74 | Прокладка | А52330-644 | В наличии | |
| ОСТ 92-8535-74 | Прокладка | А52330-275 | В наличии | |
| ОСТ 92-8535-74 | Прокладка | А52330-647 | В наличии | |
| ОСТ 92-8535-74 | Прокладка | А52330-646 | В наличии | |
| ОСТ 92-8535-74 | Прокладка | А52330-276 | В наличии | |
| ОСТ 92-8535-74 | Прокладка | А52330-648 | В наличии | |
| ОСТ 92-8535-74 | Прокладка | А52330-650 | В наличии | |
| ОСТ 92-8535-74 | Прокладка | А52330-651 | В наличии | |
| ОСТ 92-8535-74 | Прокладка | А52330-652 | В наличии | |
| ОСТ 92-8535-74 | Прокладка | А52330-277 | В наличии | |
| ОСТ 92-8535-74 | Прокладка | А52330-655 | В наличии | |
| ОСТ 92-8535-74 | Прокладка | А52330-656 | В наличии | |
| ОСТ 92-8535-74 | Прокладка | А52330-657 | В наличии | |
| ОСТ 92-8535-74 | Прокладка | А52330-659 | В наличии | |
| ОСТ 92-8535-74 | Прокладка | А52330-278 | В наличии | |
| ОСТ 92-8535-74 | Прокладка | А52330-660 | В наличии | |
| ОСТ 92-8535-74 | Прокладка | А52330-279 | В наличии | |
| ОСТ 92-8535-74 | Прокладка | А52330-662 | В наличии | |
| ОСТ 92-8535-74 | Прокладка | А52330-663 | В наличии | |
| ОСТ 92-8535-74 | Прокладка | А52330-664 | В наличии | |
| ОСТ 92-8535-74 | Прокладка | А52330-666 | В наличии | |
| ОСТ 92-8535-74 | Прокладка | А52330-667 | В наличии | |
| ОСТ 92-8535-74 | Прокладка | А52330-280 | В наличии | |
| ОСТ 92-8535-74 | Прокладка | А52330-668 | В наличии | |
| ОСТ 92-8535-74 | Прокладка | А52330-672 | В наличии | |
| ОСТ 92-8535-74 | Прокладка | А52330-674 | В наличии | |
| ОСТ 92-8535-74 | Прокладка | А52330-675 | В наличии | |
| ОСТ 92-8535-74 | Прокладка | А52330-676 | В наличии | |
| ОСТ 92-8535-74 | Прокладка | А52330-281 | В наличии | |
| ОСТ 92-8535-74 | Прокладка | А52330-678 | В наличии | |
| ОСТ 92-8535-74 | Прокладка | А52330-679 | В наличии | |
| ОСТ 92-8535-74 | Прокладка | А52330-680 | В наличии | |
| ОСТ 92-8535-74 | Прокладка | А52330-282 | В наличии | |
| ОСТ 92-8535-74 | Прокладка | А52330-682 | В наличии | |
| ОСТ 92-8535-74 | Прокладка | А52330-685 | В наличии | |
| ОСТ 92-8535-74 | Прокладка | А52330-686 | В наличии | |
| ОСТ 92-8535-74 | Прокладка | А52330-283 | В наличии | |
| ОСТ 92-8535-74 | Прокладка | А52330-687 | В наличии | |
| ОСТ 92-8535-74 | Прокладка | А52330-688 | В наличии | |
| ОСТ 92-8535-74 | Прокладка | А52330-284 | В наличии | |
| ОСТ 92-8535-74 | Прокладка | А52330-689 | В наличии | |
| ОСТ 92-8535-74 | Прокладка | А52330-690 | В наличии | |
| ОСТ 92-8535-74 | Прокладка | А52330-692 | В наличии | |
| ОСТ 92-8535-74 | Прокладка | А52330-693 | В наличии | |
| ОСТ 92-8535-74 | Прокладка | А52330-694 | В наличии | |
| ОСТ 92-8535-74 | Прокладка | А52330-695 | В наличии | |
| ОСТ 92-8535-74 | Прокладка | А52330-696 | В наличии | |
| ОСТ 92-8535-74 | Прокладка | А52330-697 | В наличии | |
| ОСТ 92-8535-74 | Прокладка | А52330-698 | В наличии | |
| ОСТ 92-8535-74 | Прокладка | А52330-699 | В наличии | |
| ОСТ 92-8535-74 | Прокладка | А52330-701 | В наличии | |
| ОСТ 92-8535-74 | Прокладка | А52330-702 | В наличии | |
| ОСТ 92-8535-74 | Прокладка | А52330-703 | В наличии | |
| ОСТ 92-8535-74 | Прокладка | А52330-704 | В наличии | |
| ОСТ 92-8535-74 | Прокладка | А52330-289 | В наличии | |
| ОСТ 92-8535-74 | Прокладка | А52330-705 | В наличии | |
| ОСТ 92-8535-74 | Прокладка | А52330-706 | В наличии | |
| ОСТ 92-8535-74 | Прокладка | А52330-291 | В наличии | |
| ОСТ 92-8535-74 | Прокладка | А52330-708 | В наличии | |
| ОСТ 92-8535-74 | Прокладка | А52330-709 | В наличии | |
| ОСТ 92-8535-74 | Прокладка | А52330-710 | В наличии | |
| ОСТ 92-8535-74 | Прокладка | А52330-711 | В наличии | |
| ОСТ 92-8535-74 | Прокладка | А52330-712 | В наличии | |
| ОСТ 92-8535-74 | Прокладка | А52330-713 | В наличии | |
| ОСТ 92-8535-74 | Прокладка | А52330-714 | В наличии | |
| ОСТ 92-8535-74 | Прокладка | А52330-715 | В наличии | |
| ОСТ 92-8535-74 | Прокладка | А52330-716 | В наличии | |
| ОСТ 92-8535-74 | Прокладка | А52330-717 | В наличии | |
| ОСТ 92-8535-74 | Прокладка | А52330-718 | В наличии | |
| ОСТ 92-8535-74 | Прокладка | А52330-721 | В наличии | |
| ОСТ 92-8535-74 | Прокладка | А52330-722 | В наличии | |
| ОСТ 92-8535-74 | Прокладка | А52330-723 | В наличии | |
| ОСТ 92-8535-74 | Прокладка | А52330-724 | В наличии | |
| ОСТ 92-8535-74 | Прокладка | А52330-725 | В наличии | |
| ОСТ 92-8535-74 | Прокладка | А52330-726 | В наличии | |
| ОСТ 92-8535-74 | Прокладка | А52330-727 | В наличии | |
| ОСТ 92-8535-74 | Прокладка | А52330-729 | В наличии | |
| ОСТ 92-8535-74 | Прокладка | А52330-730 | В наличии | |
| ОСТ 92-8535-74 | Прокладка | А52330-731 | В наличии | |
| ОСТ 92-8535-74 | Прокладка | А52330-732 | В наличии | |
| ОСТ 92-8535-74 | Прокладка | А52330-733 | В наличии | |
| ОСТ 92-8535-74 | Прокладка | А52330-734 | В наличии | |
| ОСТ 92-8535-74 | Прокладка | А52330-736 | В наличии | |
| ОСТ 92-8535-74 | Прокладка | А52330-737 | В наличии | |
| ОСТ 92-8535-74 | Прокладка | А52330-738 | В наличии | |
| ОСТ 92-8535-74 | Прокладка | А52330-739 | В наличии | |
| ОСТ 92-8535-74 | Прокладка | А52330-740 | В наличии | |
| ОСТ 92-8535-74 | Прокладка | А52330-741 | В наличии | |
| ОСТ 92-8535-74 | Прокладка | А52330-742 | В наличии | |
| ОСТ 92-8535-74 | Прокладка | А52330-743 | В наличии | |
| ОСТ 92-8535-74 | Прокладка | А52330-744 | В наличии | |
| ОСТ 92-8535-74 | Прокладка | А52330-302 | В наличии | |
| ОСТ 92-8535-74 | Прокладка | А52330-746 | В наличии | |
| ОСТ 92-8535-74 | Прокладка | А52330-747 | В наличии | |
| ОСТ 92-8535-74 | Прокладка | А52330-256 | В наличии | |
| ОСТ 92-8535-74 | Прокладка | А52330-256-01 | В наличии | |
| ОСТ 92-8535-74 | Прокладка | А52330-748 | В наличии | |
| ОСТ 92-8535-74 | Прокладка | А52330-749 | В наличии | |
| ОСТ 92-8535-74 | Прокладка | А52330-305 | В наличии | |
| ОСТ 92-8535-74 | Прокладка | А52330-750 | В наличии | |
| ОСТ 92-8535-74 | Прокладка | А52330-256-02 | В наличии | |
| ОСТ 92-8535-74 | Прокладка | А52330-256-03 | В наличии | |
| ОСТ 92-8535-74 | Прокладка | А52330-752 | В наличии | |
| ОСТ 92-8535-74 | Прокладка | А52330-308 | В наличии | |
| ОСТ 92-8535-74 | Прокладка | А52330-753 | В наличии | |
| ОСТ 92-8535-74 | Прокладка | А52330-309 | В наличии | |
| ОСТ 92-8535-74 | Прокладка | А52330-755 | В наличии | |
| ОСТ 92-8535-74 | Прокладка | А52330-310 | В наличии | |
| ОСТ 92-8535-74 | Прокладка | А52330-255 | В наличии | |
| ОСТ 92-8535-74 | Прокладка | А52330-311 | В наличии | |
| ОСТ 92-8535-74 | Прокладка | А52330-312 | В наличии | |
| ОСТ 92-8535-74 | Прокладка | А52330-313 | В наличии | |
| ОСТ 92-8535-74 | Прокладка | А52330-314 | В наличии | |
| ОСТ 92-8535-74 | Прокладка | А52330-315 | В наличии | |
| ОСТ 92-8535-74 | Прокладка | А52330-316 | В наличии | |
| ОСТ 92-8535-74 | Прокладка | А52330-256-04 | В наличии | |
| ОСТ 92-8535-74 | Прокладка | А52330-257 | В наличии | |
| ОСТ 92-8535-74 | Прокладка | А52330-256-05 | В наличии | |
| ОСТ 92-8535-74 | Прокладка | А52330-260 | В наличии | |
| ОСТ 92-8535-74 | Прокладка | А52330-256-06 | В наличии | |
| ОСТ 92-8535-74 | Прокладка | А52330-248-05 | В наличии | |
| ОСТ 92-8535-74 | Прокладка | А52330-248 | В наличии | |
| ОСТ 92-8535-74 | Прокладка | А52330-756 | В наличии | |
| ОСТ 92-8535-74 | Прокладка | А52330-757 | В наличии | |
| ОСТ 92-8535-74 | Прокладка | А52330-758 | В наличии | |
| ОСТ 92-8535-74 | Прокладка | А52330-759 | В наличии | |
| ОСТ 92-8535-74 | Прокладка | А52330-760 | В наличии | |
| ОСТ 92-8535-74 | Прокладка | А52330-761 | В наличии | |
| ОСТ 92-8535-74 | Прокладка | А52330-762 | В наличии | |
| ОСТ 92-8535-74 | Прокладка | А52330-763 | В наличии | |
| ОСТ 92-8535-74 | Прокладка | А52330-765 | В наличии | |
| ОСТ 92-8535-74 | Прокладка | А52330-766 | В наличии | |
| ОСТ 92-8535-74 | Прокладка | А52330-768 | В наличии | |
| ОСТ 92-8535-74 | Прокладка | А52330-769 | В наличии | |
| ОСТ 92-8535-74 | Прокладка | А52330-770 | В наличии | |
| ОСТ 92-8535-74 | Прокладка | А52330-771 | В наличии | |
| ОСТ 92-8535-74 | Прокладка | А52330-903 | В наличии | |
| ОСТ 92-8535-74 | Прокладка | А52330-772 | В наличии | |
| ОСТ 92-8535-74 | Прокладка | А52330-773 | В наличии | |
| ОСТ 92-8535-74 | Прокладка | А52330-774 | В наличии | |
| ОСТ 92-8535-74 | Прокладка | А52330-775 | В наличии | |
| ОСТ 92-8535-74 | Прокладка | А52330-776 | В наличии | |
| ОСТ 92-8535-74 | Прокладка | А52330-248-01 | В наличии | |
| ОСТ 92-8535-74 | Прокладка | А52330-777 | В наличии | |
| ОСТ 92-8535-74 | Прокладка | А52330-778 | В наличии | |
| ОСТ 92-8535-74 | Прокладка | А52330-779 | В наличии | |
| ОСТ 92-8535-74 | Прокладка | А52330-780 | В наличии | |
| ОСТ 92-8535-74 | Прокладка | А52330-248-02 | В наличии | |
| ОСТ 92-8535-74 | Прокладка | А52330-781 | В наличии | |
| ОСТ 92-8535-74 | Прокладка | А52330-782 | В наличии | |
| ОСТ 92-8535-74 | Прокладка | А52330-783 | В наличии | |
| ОСТ 92-8535-74 | Прокладка | А52330-784 | В наличии | |
| ОСТ 92-8535-74 | Прокладка | А52330-785 | В наличии | |
| ОСТ 92-8535-74 | Прокладка | А52330-786 | В наличии | |
| ОСТ 92-8535-74 | Прокладка | А52330-787 | В наличии | |
| ОСТ 92-8535-74 | Прокладка | А52330-788 | В наличии | |
| ОСТ 92-8535-74 | Прокладка | А52330-248-03 | В наличии | |
| ОСТ 92-8535-74 | Прокладка | А52330-789 | В наличии | |
| ОСТ 92-8535-74 | Прокладка | А52330-790 | В наличии | |
| ОСТ 92-8535-74 | Прокладка | А52330-791 | В наличии | |
| ОСТ 92-8535-74 | Прокладка | А52330-792 | В наличии | |
| ОСТ 92-8535-74 | Прокладка | А52330-793 | В наличии | |
| ОСТ 92-8535-74 | Прокладка | А52330-794 | В наличии | |
| ОСТ 92-8535-74 | Прокладка | А52330-905 | В наличии | |
| ОСТ 92-8535-74 | Прокладка | А52330-795 | В наличии | |
| ОСТ 92-8535-74 | Прокладка | А52330-796 | В наличии | |
| ОСТ 92-8535-74 | Прокладка | А52330-797 | В наличии | |
| ОСТ 92-8535-74 | Прокладка | А52330-798 | В наличии | |
| ОСТ 92-8535-74 | Прокладка | А52330-799 | В наличии | |
| ОСТ 92-8535-74 | Прокладка | А52330-800 | В наличии | |
| ОСТ 92-8535-74 | Прокладка | А52330-801 | В наличии | |
| ОСТ 92-8535-74 | Прокладка | А52330-802 | В наличии | |
| ОСТ 92-8535-74 | Прокладка | А52330-803 | В наличии | |
| ОСТ 92-8535-74 | Прокладка | А52330-804 | В наличии | |
| ОСТ 92-8535-74 | Прокладка | А52330-805 | В наличии | |
| ОСТ 92-8535-74 | Прокладка | А52330-806 | В наличии | |
| ОСТ 92-8535-74 | Прокладка | А52330-808 | В наличии | |
| ОСТ 92-8535-74 | Прокладка | А52330-809 | В наличии | |
| ОСТ 92-8535-74 | Прокладка | А52330-810 | В наличии | |
| ОСТ 92-8535-74 | Прокладка | А52330-811 | В наличии | |
| ОСТ 92-8535-74 | Прокладка | А52330-248-04 | В наличии | |
| ОСТ 92-8535-74 | Прокладка | А52330-812 | В наличии | |
| ОСТ 92-8535-74 | Прокладка | А52330-813 | В наличии | |
| ОСТ 92-8535-74 | Прокладка | А52330-814 | В наличии | |
| ОСТ 92-8535-74 | Прокладка | А52330-815 | В наличии | |
| ОСТ 92-8535-74 | Прокладка | А52330-816 | В наличии | |
| ОСТ 92-8535-74 | Прокладка | А52330-817 | В наличии | |
| ОСТ 92-8535-74 | Прокладка | А52330-818 | В наличии | |
| ОСТ 92-8535-74 | Прокладка | А52330-819 | В наличии | |
| ОСТ 92-8535-74 | Прокладка | А52330-820 | В наличии | |
| ОСТ 92-8535-74 | Прокладка | А52330-821 | В наличии | |
| ОСТ 92-8535-74 | Прокладка | А52330-822 | В наличии | |
| ОСТ 92-8535-74 | Прокладка | А52330-823 | В наличии | |
| ОСТ 92-8535-74 | Прокладка | А52330-824 | В наличии | |
| ОСТ 92-8535-74 | Прокладка | А52330-825 | В наличии | |
| ОСТ 92-8535-74 | Прокладка | А52330-826 | В наличии | |
| ОСТ 92-8535-74 | Прокладка | А52330-827 | В наличии | |
| ОСТ 92-8535-74 | Прокладка | А52330-828 | В наличии | |
| ОСТ 92-8535-74 | Прокладка | А52330-829 | В наличии | |
| ОСТ 92-8535-74 | Прокладка | А52330-830 | В наличии | |
| ОСТ 92-8535-74 | Прокладка | А52330-833 | В наличии | |
| ОСТ 92-8535-74 | Прокладка | А52330-834 | В наличии | |
| ОСТ 92-8535-74 | Прокладка | А52330-835 | В наличии | |
| ОСТ 92-8535-74 | Прокладка | А52330-836 | В наличии | |
| ОСТ 92-8535-74 | Прокладка | А52330-837 | В наличии | |
| ОСТ 92-8535-74 | Прокладка | А52330-838 | В наличии | |
| ОСТ 92-8535-74 | Прокладка | А52330-875 | В наличии | |
| ОСТ 92-8535-74 | Прокладка | А52330-877 | В наличии | |
| ОСТ 92-8535-74 | Прокладка | А52330-878 | В наличии | |
| ОСТ 92-8535-74 | Прокладка | А52330-879 | В наличии | |
| ОСТ 92-8535-74 | Прокладка | А52330-880 | В наличии | |
| ОСТ 92-8535-74 | Прокладка | А52330-881 | В наличии | |
| ОСТ 92-8535-74 | Прокладка | А52330-882 | В наличии | |
| ОСТ 92-8535-74 | Прокладка | А52330-883 | В наличии | |
| ОСТ 92-8535-74 | Прокладка | А52330-885 | В наличии | |
| ОСТ 92-8535-74 | Прокладка | А52330-886 | В наличии |
Для изготовителей и поставщиков: Добавить мои товары в базу
Для покупателей: Подать заявку на покупку
| Наименование | Типоразмер | Материал | Количество, шт | Вес, кг |
| Прокладка ОСТ 92-8535-74 |
ОСТ 1 30055-84 Накатка кольцевая стержней болт-заклепок из титанового сплава
ОСТ 1 31076-80 Маркировка крепежных изделий взамен НОРМАЛЬ 176АТ
ОСТ 1 31076-80: Маркировка крепежных изделий (взамен НОРМАЛЬ 176АТ)
ОСТ 1 39502-77 Стопорение болтов, винтов, шпилек, штифтов и гаек
ОСТ 1 39503-77 Длины болтов и винтов
ОСТ 1 39504-79 Головки шестигранные болтов и винтов
ОСТ 1 51730-79 Оснастка для формообразования концов труб тяг управления из сплава Д16Т
ОСТ 1 51731-79 Оснастка для формообразования концов труб тяг управления из сплава Д16Т
ОСТ 1.41001-79 Диаметры отверстий под нарезание резьбы метрической по нормали 754АТ
ОСТ 1.41002-79 Диаметры стержней под нарезание резьбы метрической по нормали 754АТ и ОСТ 1.00039-73
ОСТ 92-0762-72 Болты, винты из титановых сплавов
ОСТ 92-1179-77 Детали и сборочные единицы из сталей марок 07Х16Н6 и 08Х17Н5М3
ОСТ 92-8653-75 по ОСТ 92-8674-75 Соединения трубопроводов по внутреннему конусу
ОСТ-1-33102-80 Взамен нормали 102АТУ Гайки ОСТ-1-33102-80
Отраслевая нормаль 214АТ В замен нормали 214МТ55 метрическая резьбой со свободной посадкой
Отраслевая нормаль 714М55 pdf Кольца плоские ,стопорные технические условия
Отраслевая нормаль авиационной техники 101АТУ Взамен 201СТУ51
2026 «Быстрометиз». Мы не интернет-магазин. Информация о наличии и стоимости продукции не является публичной офертой.
Задайте вопрос нашим специалистам