ОСТ 1 12080-75 Кольца поршневые обжимные

ОСТ 1 12080-75 КОЛЬЦА ПОРШНЕВЫЕ ОБЖИМНЫЕ

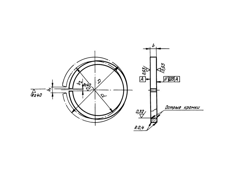
     Кольца поршневые обжимные по ОСТ 1 12080-75 - это специальный крепеж, он применяется для уплотнения наружных поверхностей штоков и перекрытия торцом кольца части площади протока жидкости при обратном ходе штока амортизатора шасси. Взамен нормалей 5696А, 818АТ.

КОНСТРУКЦИЯ И ТЕХНИЧЕСКИЕ ОСОБЕННОСТИ

     Конструкция состоит из кольца с разрезом.

     Материал изготовления: чугун МН.

     Материал покрытия: Хим.фос.окс.

ОСТ 1 12080-75.pdf

Пример наименования и обозначения поршневого обжимного кольца типоразмера 1:

Кольцо поршневое обжимное 1-ОСТ 1 12080-75

Кольцо поршневое обжимное
Наименование метиза
1
Типоразмер
ОСТ 1 12080-75
Нормативно-технический документ

ПРИМЕНЕНИЕ

     Данные кольца используются в самолетных шасси.

АНАЛОГИ

Нормали 5696А, 818АТ.

ОСТ/ГОСТНормальНаименованиеТипоразмерНа складе
ОСТ 1 12080-755696А, 818АТКольцо поршневое обжимное1В наличии
ОСТ 1 12080-755696А, 818АТКольцо поршневое обжимное2В наличии
ОСТ 1 12080-755696А, 818АТКольцо поршневое обжимное3В наличии
ОСТ 1 12080-755696А, 818АТКольцо поршневое обжимное4В наличии
ОСТ 1 12080-755696А, 818АТКольцо поршневое обжимное5В наличии
ОСТ 1 12080-755696А, 818АТКольцо поршневое обжимное6В наличии
ОСТ 1 12080-755696А, 818АТКольцо поршневое обжимное7В наличии
ОСТ 1 12080-755696А, 818АТКольцо поршневое обжимное8В наличии
ОСТ 1 12080-755696А, 818АТКольцо поршневое обжимное9В наличии
ОСТ 1 12080-755696А, 818АТКольцо поршневое обжимное10В наличии
ОСТ 1 12080-755696А, 818АТКольцо поршневое обжимное11В наличии
ОСТ 1 12080-755696А, 818АТКольцо поршневое обжимное12В наличии
ОСТ 1 12080-755696А, 818АТКольцо поршневое обжимное13В наличии
ОСТ 1 12080-755696А, 818АТКольцо поршневое обжимное14В наличии
ОСТ 1 12080-755696А, 818АТКольцо поршневое обжимное15В наличии
ОСТ 1 12080-755696А, 818АТКольцо поршневое обжимное16В наличии
ОСТ 1 12080-755696А, 818АТКольцо поршневое обжимное17В наличии
ОСТ 1 12080-755696А, 818АТКольцо поршневое обжимное18В наличии
ОСТ 1 12080-755696А, 818АТКольцо поршневое обжимное19В наличии
ОСТ 1 12080-755696А, 818АТКольцо поршневое обжимное20В наличии
ОСТ 1 12080-755696А, 818АТКольцо поршневое обжимное21В наличии
ОСТ 1 12080-755696А, 818АТКольцо поршневое обжимное22В наличии
ОСТ 1 12080-755696А, 818АТКольцо поршневое обжимное23В наличии
ОСТ 1 12080-755696А, 818АТКольцо поршневое обжимное24В наличии

Для изготовителей и поставщиков: Добавить мои товары в базу

Для покупателей: Подать заявку на покупку

НаименованиеТипоразмерМатериалКоличество, штВес, кг
Кольцо поршневое обжимное ОСТ 1 12080-75 5696А, 818АТ
О

ОСТ 1 30055-84 Накатка кольцевая стержней болт-заклепок из титанового сплава

ОСТ 1 31076-80 Маркировка крепежных изделий взамен НОРМАЛЬ 176АТ

ОСТ 1 31076-80: Маркировка крепежных изделий (взамен НОРМАЛЬ 176АТ)

ОСТ 1 38016-80 Футорки

ОСТ 1 38020-82 Втулки

ОСТ 1 39502-77 Стопорение болтов, винтов, шпилек, штифтов и гаек

ОСТ 1 39503-77 Длины болтов и винтов

ОСТ 1 39504-79 Головки шестигранные болтов и винтов

ОСТ 1 41471-79 Формообразование концов труб тяг управления из сплава Д16Т. Типовой технологический процесс

ОСТ 1 51730-79 Оснастка для формообразования концов труб тяг управления из сплава Д16Т

ОСТ 1 51731-79 Оснастка для формообразования концов труб тяг управления из сплава Д16Т

ОСТ 1.41001-79 Диаметры отверстий под нарезание резьбы метрической по нормали 754АТ

ОСТ 1.41002-79 Диаметры стержней под нарезание резьбы метрической по нормали 754АТ и ОСТ 1.00039-73

ОСТ 92-0762-72 Болты, винты из титановых сплавов

ОСТ 92-0912-69 Детали из высокопрочных углеродистых легированных и высоколегированных сталей. ОСТ 92-0912-69

ОСТ 92-1130-85 Детали стальные точные

ОСТ 92-1179-77 Детали и сборочные единицы из сталей марок 07Х16Н6 и 08Х17Н5М3

ОСТ 92-8653-75 по ОСТ 92-8674-75 Соединения трубопроводов по внутреннему конусу

ОСТ-1-33102-80 Взамен нормали 102АТУ Гайки ОСТ-1-33102-80

Отраслевая нормаль 214АТ В замен нормали 214МТ55 метрическая резьбой со свободной посадкой

Отраслевая нормаль 714М55 pdf Кольца плоские ,стопорные технические условия

Отраслевая нормаль авиационной техники 101АТУ Взамен 201СТУ51

Отраслевая нормаль авиационной техники. Нормаль 722АТ.

Р

РЕЗЬБА МЕТРИЧЕСКАЯ

Резьба метрическая усиленная тугой посадкой сталь в алюминиевые и магниевые сплавы. Нормаль 254АТ взамен нормальный 154МТ46

Резьба метрическая. Основные размеры и допуски. Отраслевая нормаль 257АТ взамен 57АТ50 взамен 153МТ54.

РЕЗЬБА ТРАПЕЦЕИДАЛЬНАЯ

РЕЗЬБА ТРУБНАЯ ЦИЛИНДРИЧЕСКАЯ

РЕЗЬБА УПОРНАЯ

Резьба усиленная метрическая тугой посадкой сталь сталь система вала настоящая норма распространяется на резьбу усиленную метрическую тугой посадкой для сопрягаемых материалов сталь в сталь. Нормаль 122МТ53 взамен нормали 122МТ51

Резьба усиленная метрическая тугой посадкой сталь сталь система вала настоящая норма распространяется на резьбу усиленную метрическую тугой посадкой для сопрягаемых материалов сталь в сталь. Нормаль 122МТ53 взамен нормали 122МТ51

Резьбовые соединения. Резьба метрическая с натягом по посадкам 2Н5Д и 2Н5С Отраслевой стандарт ОСТ 1 04065–92

Оформите заказ или получите консультацию