ОСТ 1 37113-89 ГАЙКИ САМОКОНТРЯЩИЕСЯ
Гайки самоконтрящиеся по ОСТ 1 37113-89 – это специальный крепеж, предназначенный для установки в профиль.
КОНСТРУКЦИЯ И ТЕХНИЧЕСКИЕ ОСОБЕННОСТИ
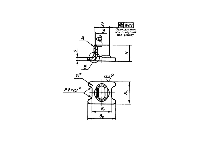
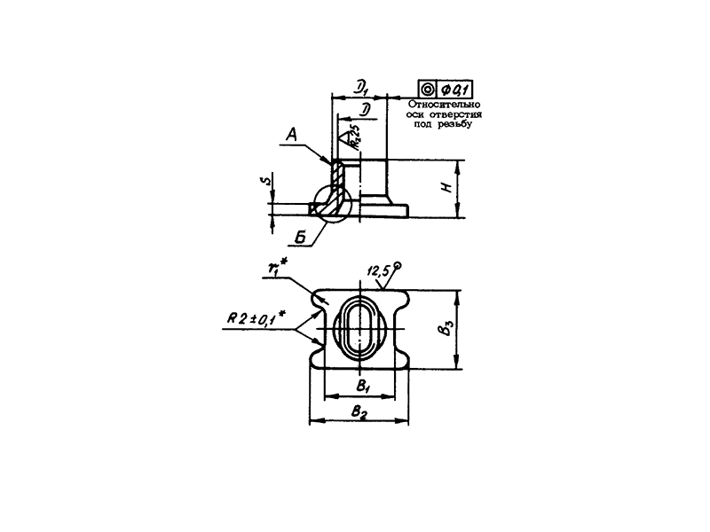
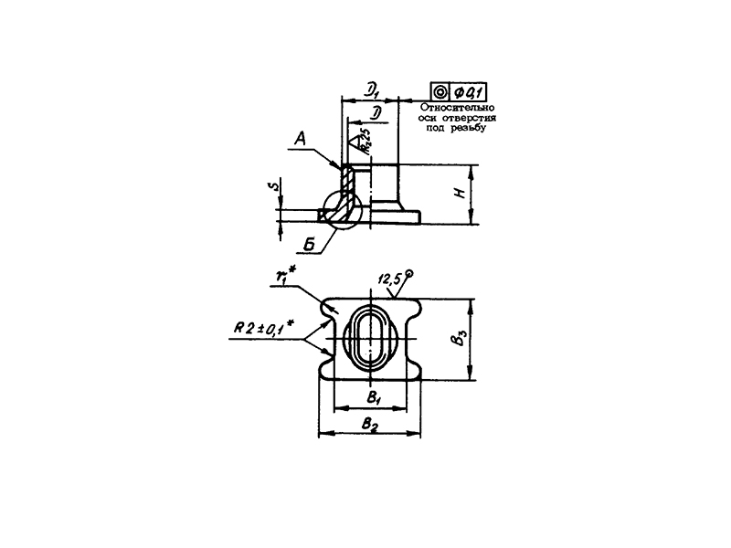
Конструкция гайки состоит из цилиндрического пустотелого стержня с внутренней резьбой.
Материал изготовления: сталь 16ХСН-Д-П и 16ХСН.
Материал покрытия: Кд6.хр, Ц6.хр, Хим.Фос.хр.прм.
Пример наименования и обозначения самоконтрящейся гайки с резьбой МR6-5H6H, с покрытием Ц.хр:
Гайка 6-Ц-ОСТ 1 37113-89
Пример наименования и обозначения самоконтрящейся гайки с резьбой МR6-5H6H, с покрытием Ц.хр:
Гайка 6-Ц-ОСТ 1 37113-89
То же, с резьбой МR6-5H6H, с покрытием Кд.хр:
Гайка 6-Кд-ОСТ 1 37113-89
Пример наименования и обозначения самоконтрящейся гайки с резьбой МR6-5H6H, с покрытием Ц.хр:
Гайка 6-Ц-ОСТ 1 37113-89
То же, с резьбой МR6-4H5H, с покрытием Хим.Фос.хр.прм:
Гайка 6-2-Хим.Фос.прм-ОСТ 1 37113-89
ПРИМЕНЕНИЕ
Данные гайки применяются во многих отраслях промышленности. Высокий спрос на изделие в машиностроении и строительстве, где такие гайки используют для установки в профиля.
АНАЛОГИ
| ОСТ/ГОСТ | Нормаль | Наименование | Типоразмер | На складе |
| ОСТ 1 37113-89 | Гайка | 4 | В наличии | |
| ОСТ 1 37113-89 | Гайка | 5 | В наличии | |
| ОСТ 1 37113-89 | Гайка | 6 | В наличии | |
| ОСТ 1 37113-89 | Гайка | 8 | В наличии |
Для изготовителей и поставщиков: Добавить мои товары в базу
Для покупателей: Подать заявку на покупку
| Наименование | Типоразмер | Материал | Количество, шт | Вес, кг |
| Гайка ОСТ 1 37113-89 |
ОСТ 1 30055-84 Накатка кольцевая стержней болт-заклепок из титанового сплава
ОСТ 1 31076-80 Маркировка крепежных изделий взамен НОРМАЛЬ 176АТ
ОСТ 1 31076-80: Маркировка крепежных изделий (взамен НОРМАЛЬ 176АТ)
ОСТ 1 39502-77 Стопорение болтов, винтов, шпилек, штифтов и гаек
ОСТ 1 39503-77 Длины болтов и винтов
ОСТ 1 39504-79 Головки шестигранные болтов и винтов
ОСТ 1 51730-79 Оснастка для формообразования концов труб тяг управления из сплава Д16Т
ОСТ 1 51731-79 Оснастка для формообразования концов труб тяг управления из сплава Д16Т
ОСТ 1.41001-79 Диаметры отверстий под нарезание резьбы метрической по нормали 754АТ
ОСТ 1.41002-79 Диаметры стержней под нарезание резьбы метрической по нормали 754АТ и ОСТ 1.00039-73
ОСТ 92-0762-72 Болты, винты из титановых сплавов
ОСТ 92-1179-77 Детали и сборочные единицы из сталей марок 07Х16Н6 и 08Х17Н5М3
ОСТ 92-8653-75 по ОСТ 92-8674-75 Соединения трубопроводов по внутреннему конусу
ОСТ-1-33102-80 Взамен нормали 102АТУ Гайки ОСТ-1-33102-80
Отраслевая нормаль 214АТ В замен нормали 214МТ55 метрическая резьбой со свободной посадкой
Отраслевая нормаль 714М55 pdf Кольца плоские ,стопорные технические условия
Отраслевая нормаль авиационной техники 101АТУ Взамен 201СТУ51
2026 «Быстрометиз». Мы не интернет-магазин. Информация о наличии и стоимости продукции не является публичной офертой.
Задайте вопрос нашим специалистам