ОСТ 1 10055-71 Фланцы

ОСТ 1 10055-71 ФЛАНЦЫ

     Фланцы по ОСТ 1 10055-71 – это крепеж, предназначенный для фланцевых законцовок трубопроводов. Взамен нормали 6710А.

КОНСТРУКЦИЯ И ТЕХНИЧЕСКИЕ ОСОБЕННОСТИ

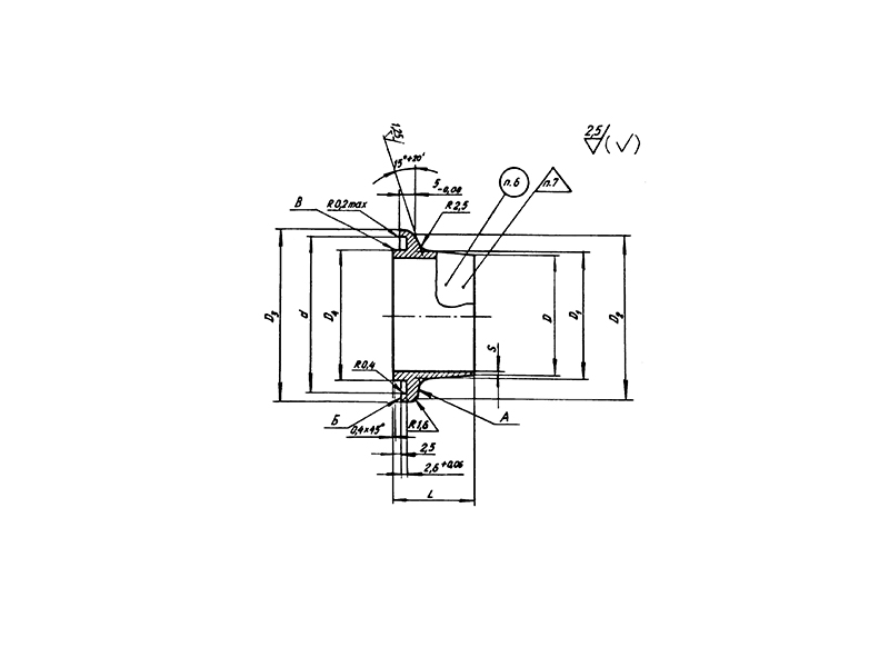
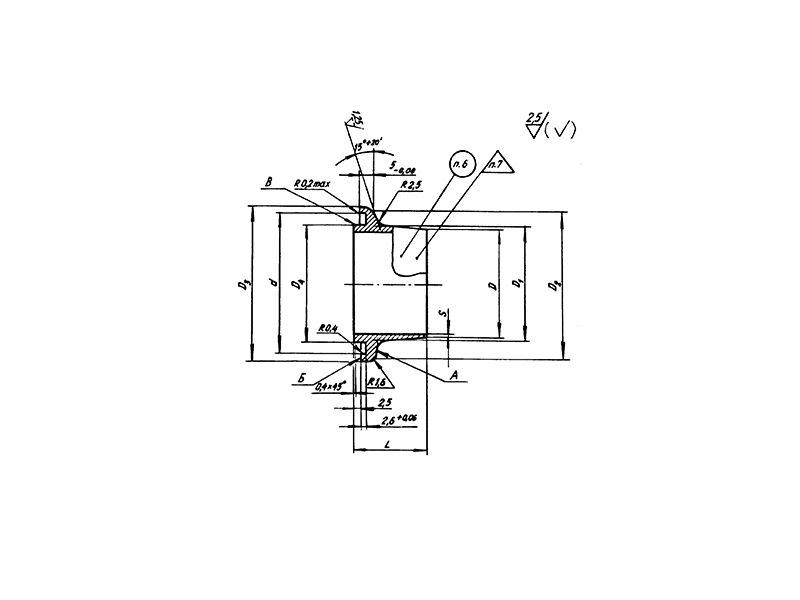
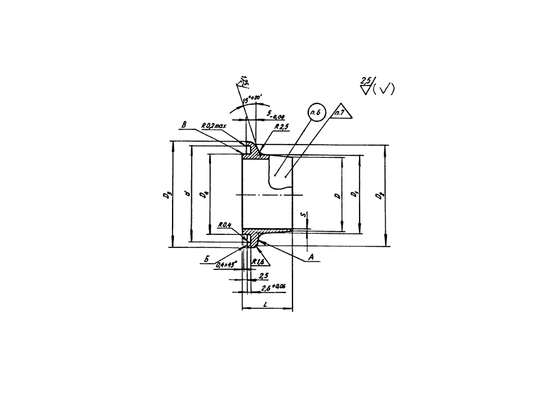
     Конструкция фланца состоит из плоской детали с отверстиями.

     Материал изготовления: алюминиевый сплав АМг3-М.

     Материал покрытия: без покрытия.

ОСТ 1 10055-71.pdf

Пример наименования и обозначения фланца для трубопровода Dн=40 мм, длиной L=25 мм и толщиной s=1,5 мм из материала АМг6-М:

Фланец 40-25-1,5-ОСТ 1 10054-71

То же, из материала АМг3-М:

Фланец 40-25-1,5-ОСТ 1 10055-71

Фланец
Наименование метиза
40
Наружный диаметр трубопровода
25
Длина
1,5
Толщина
ОСТ 1 10055-71
Нормативно-технический документ

ПРИМЕНЕНИЕ

     Настоящий стандарт распространяется на фланцы для фланцевых законцовок трубопроводов по ОСТ 1 10050-71.

АНАЛОГИ

Нормаль 6710А.

ОСТ/ГОСТНормальНаименованиеТипоразмерНа складе
ОСТ 1 10055-716710АФланец40В наличии
ОСТ 1 10055-716710АФланец45В наличии
ОСТ 1 10055-716710АФланец50В наличии
ОСТ 1 10055-716710АФланец56В наличии
ОСТ 1 10055-716710АФланец63В наличии
ОСТ 1 10055-716710АФланец70В наличии
ОСТ 1 10055-716710АФланец80В наличии
ОСТ 1 10055-716710АФланец90В наличии
ОСТ 1 10055-716710АФланец100В наличии
ОСТ 1 10055-716710АФланец110В наличии
ОСТ 1 10055-716710АФланец120В наличии
ОСТ 1 10055-716710АФланец140В наличии
ОСТ 1 10055-716710АФланец160В наличии
ОСТ 1 10055-716710АФланец180В наличии
ОСТ 1 10055-716710АФланец200В наличии

Для изготовителей и поставщиков: Добавить мои товары в базу

Для покупателей: Подать заявку на покупку

НаименованиеТипоразмерМатериалКоличество, штВес, кг
Фланец ОСТ 1 10055-71 6710А
О

ОСТ 1 30055-84 Накатка кольцевая стержней болт-заклепок из титанового сплава

ОСТ 1 31076-80 Маркировка крепежных изделий взамен НОРМАЛЬ 176АТ

ОСТ 1 31076-80: Маркировка крепежных изделий (взамен НОРМАЛЬ 176АТ)

ОСТ 1 38016-80 Футорки

ОСТ 1 38020-82 Втулки

ОСТ 1 39502-77 Стопорение болтов, винтов, шпилек, штифтов и гаек

ОСТ 1 39503-77 Длины болтов и винтов

ОСТ 1 39504-79 Головки шестигранные болтов и винтов

ОСТ 1 41471-79 Формообразование концов труб тяг управления из сплава Д16Т. Типовой технологический процесс

ОСТ 1 51730-79 Оснастка для формообразования концов труб тяг управления из сплава Д16Т

ОСТ 1 51731-79 Оснастка для формообразования концов труб тяг управления из сплава Д16Т

ОСТ 1.41001-79 Диаметры отверстий под нарезание резьбы метрической по нормали 754АТ

ОСТ 1.41002-79 Диаметры стержней под нарезание резьбы метрической по нормали 754АТ и ОСТ 1.00039-73

ОСТ 92-0762-72 Болты, винты из титановых сплавов

ОСТ 92-0912-69 Детали из высокопрочных углеродистых легированных и высоколегированных сталей. ОСТ 92-0912-69

ОСТ 92-1179-77 Детали и сборочные единицы из сталей марок 07Х16Н6 и 08Х17Н5М3

ОСТ 92-8653-75 по ОСТ 92-8674-75 Соединения трубопроводов по внутреннему конусу

ОСТ-1-33102-80 Взамен нормали 102АТУ Гайки ОСТ-1-33102-80

Отраслевая нормаль 214АТ В замен нормали 214МТ55 метрическая резьбой со свободной посадкой

Отраслевая нормаль 714М55 pdf Кольца плоские ,стопорные технические условия

Отраслевая нормаль авиационной техники 101АТУ Взамен 201СТУ51

Отраслевая нормаль авиационной техники. Нормаль 722АТ.

Р

РЕЗЬБА МЕТРИЧЕСКАЯ

Резьба метрическая усиленная тугой посадкой сталь в алюминиевые и магниевые сплавы. Нормаль 254АТ взамен нормальный 154МТ46

Резьба метрическая. Основные размеры и допуски. Отраслевая нормаль 257АТ взамен 57АТ50 взамен 153МТ54.

РЕЗЬБА ТРАПЕЦЕИДАЛЬНАЯ

РЕЗЬБА ТРУБНАЯ ЦИЛИНДРИЧЕСКАЯ

РЕЗЬБА УПОРНАЯ

Резьба усиленная метрическая тугой посадкой сталь сталь система вала настоящая норма распространяется на резьбу усиленную метрическую тугой посадкой для сопрягаемых материалов сталь в сталь. Нормаль 122МТ53 взамен нормали 122МТ51

Резьба усиленная метрическая тугой посадкой сталь сталь система вала настоящая норма распространяется на резьбу усиленную метрическую тугой посадкой для сопрягаемых материалов сталь в сталь. Нормаль 122МТ53 взамен нормали 122МТ51

Резьбовые соединения. Резьба метрическая с натягом по посадкам 2Н5Д и 2Н5С Отраслевой стандарт ОСТ 1 04065–92

Оформите заказ или получите консультацию